Curiosii for ever!
: Car repair manuals for everyone.
Home
>>
Mazda
>>
2009
>>
6 L4-2.5L
>>
Repair and Diagnosis
>>
Powertrain Management
>>
Diagrams
>>
Electrical Diagrams
>>
Control System Wiring Diagram
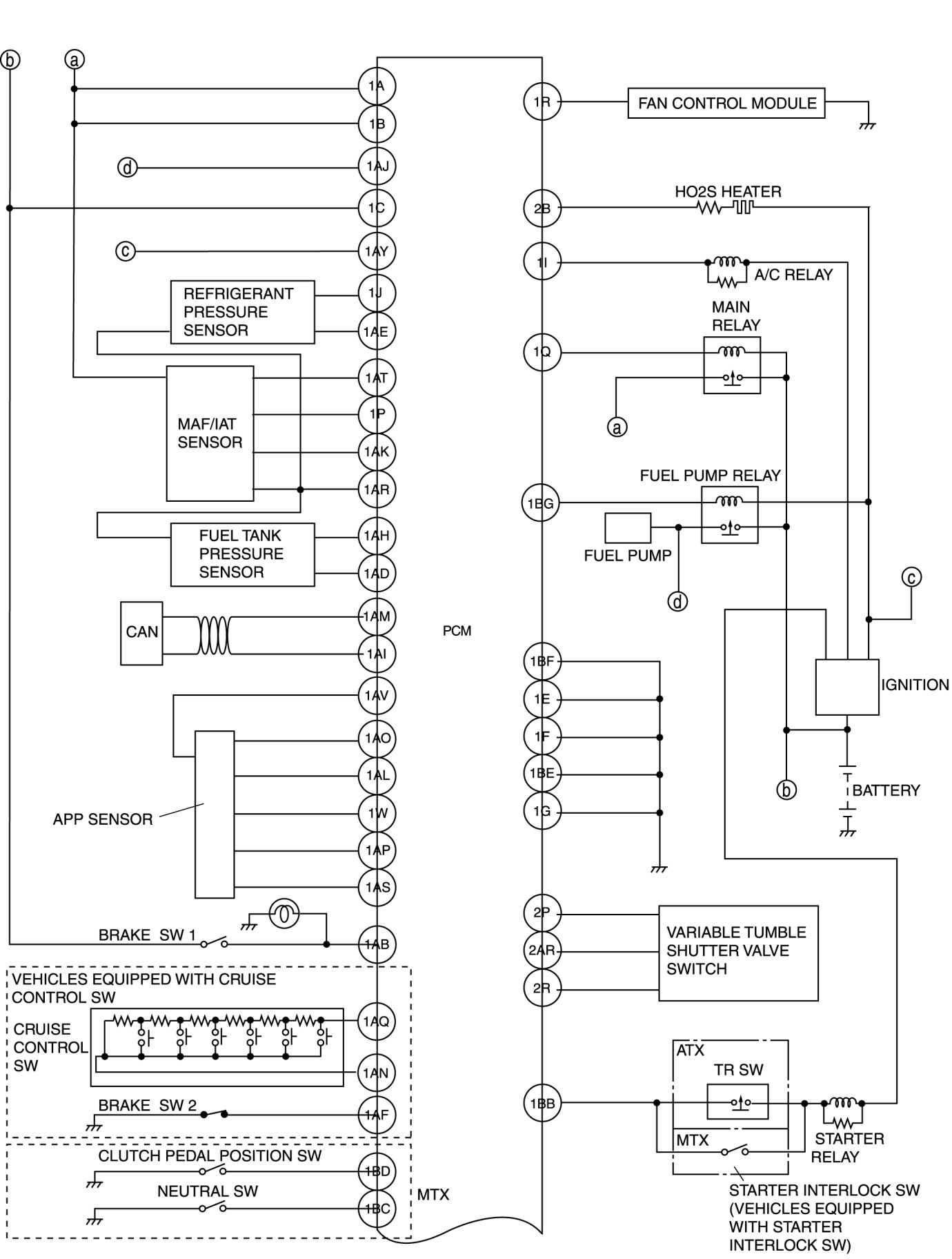
Control System Wiring Diagram
CONTROL SYSTEM WIRING DIAGRAM [L5]