Curiosii for ever!: Car repair manuals for everyone.

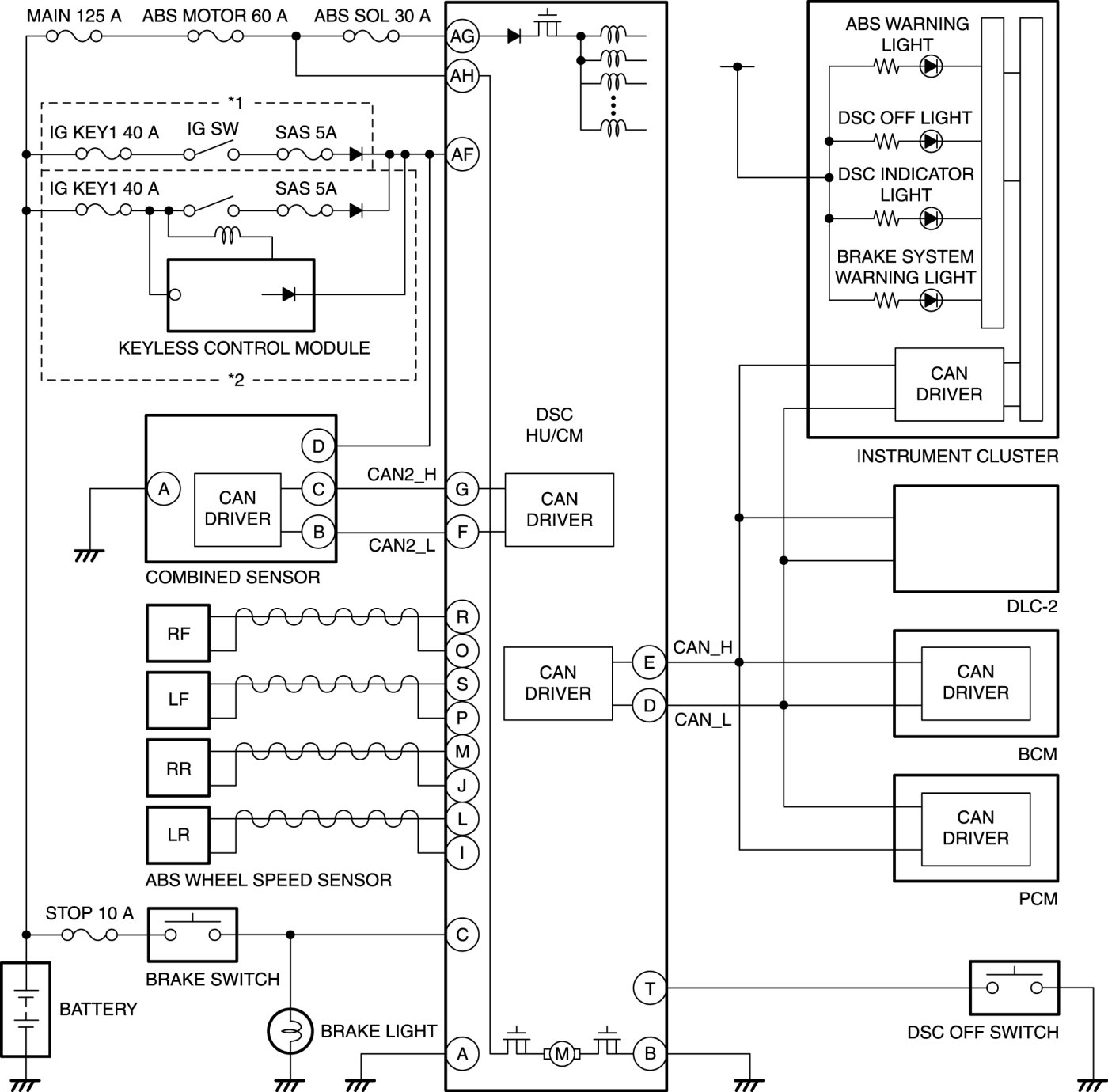
Dynamic Stability Control System Wiring Diagram [Dynamic Stability Control (DSC)]




DYNAMIC STABILITY CONTROL SYSTEM WIRING DIAGRAM [DYNAMIC STABILITY CONTROL (DSC)]





*1
Without advanced keyless entry and push button start system
*2
With advanced keyless entry and push button start system