Curiosii for ever!
: Car repair manuals for everyone.
Home
>>
Mazda
>>
2009
>>
6 L4-2.5L
>>
Repair and Diagnosis
>>
Brakes and Traction Control
>>
Antilock Brakes / Traction Control Systems
>>
Testing and Inspection
>>
Scan Tool Testing and Procedures
>>
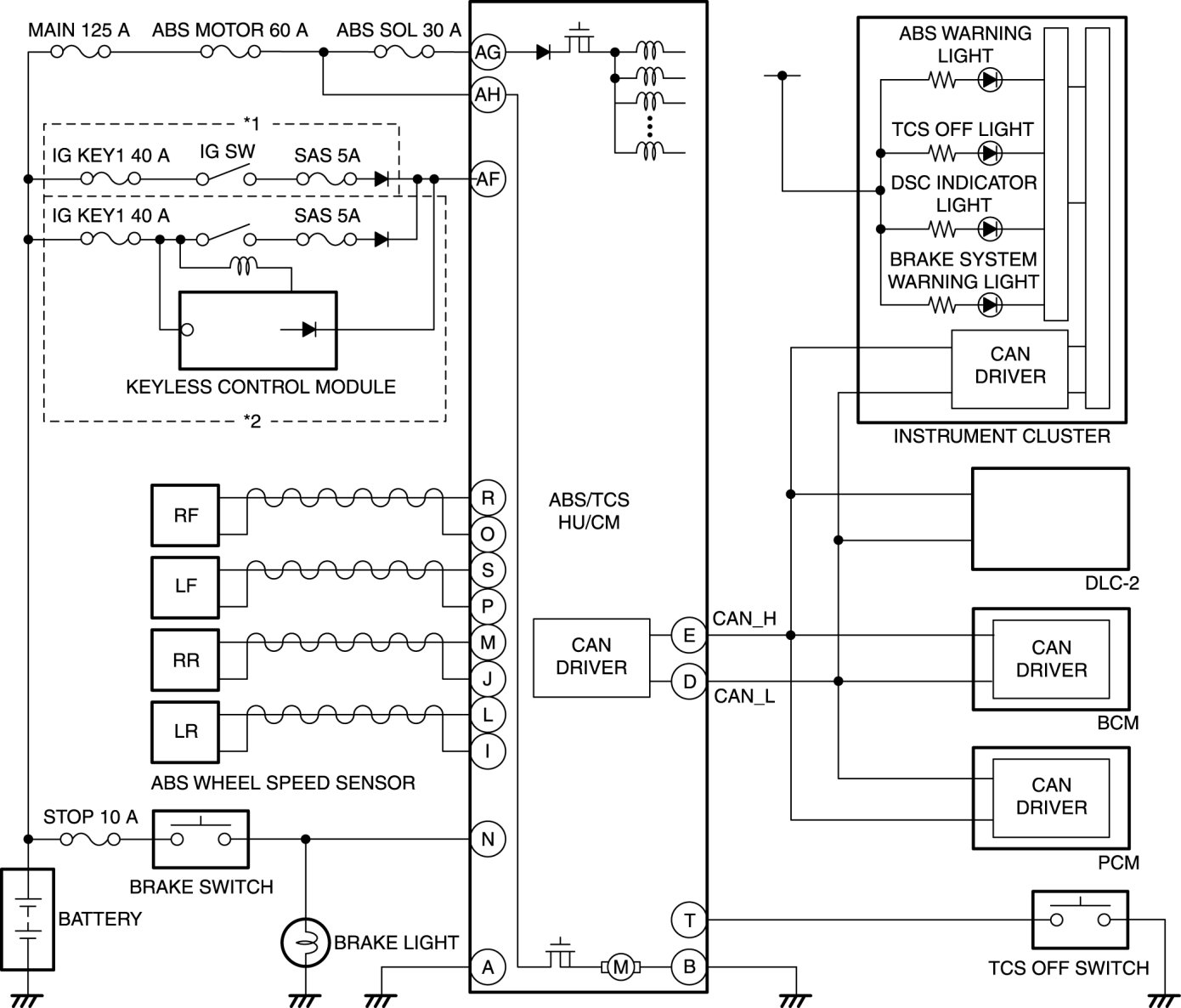
ABS/TCS System Wiring Diagram [ABS/TCS]
ABS/TCS System Wiring Diagram [ABS/TCS]
ABS/TCS SYSTEM WIRING DIAGRAM [ABS/TCS]
*1
Without advanced keyless entry and push button start system
*2
With advanced keyless entry and push button start system