Curiosii for ever!
: Car repair manuals for everyone.
Home
>>
Mazda
>>
2009
>>
5 L4-2.3L
>>
Repair and Diagnosis
>>
Transmission and Drivetrain
>>
Automatic Transmission/Transaxle
>>
Testing and Inspection
>>
Scan Tool Testing and Procedures
>>
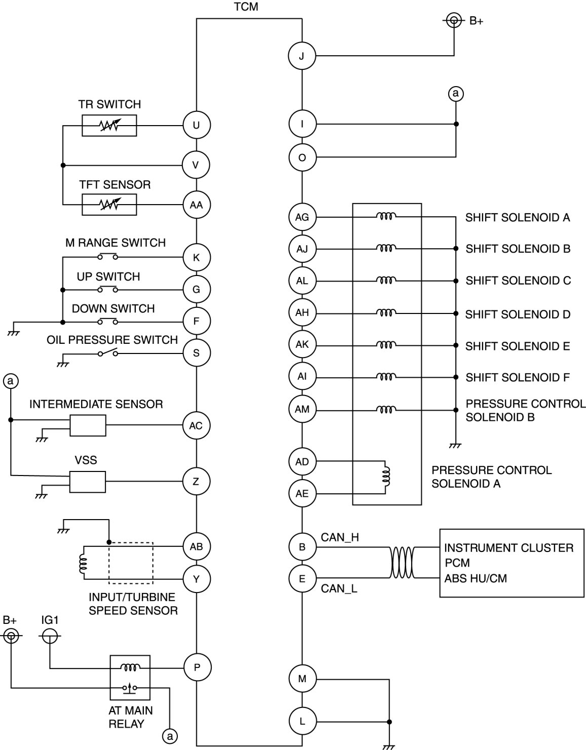
Automatic Transaxle Control System Wiring Diagram [FS5A-EL]
Automatic Transaxle Control System Wiring Diagram [FS5A-EL]
AUTOMATIC TRANSAXLE CONTROL SYSTEM WIRING DIAGRAM [FS5A-EL]