Curiosii for ever!
: Car repair manuals for everyone.
Home
>>
Mazda
>>
2009
>>
5 L4-2.3L
>>
Repair and Diagnosis
>>
Transmission and Drivetrain
>>
Automatic Transmission/Transaxle
>>
Description and Operation
>>
FS5A-EL Transmission/Transaxle Outline of Operation
>>
Power Flow Structure
Power Flow Structure
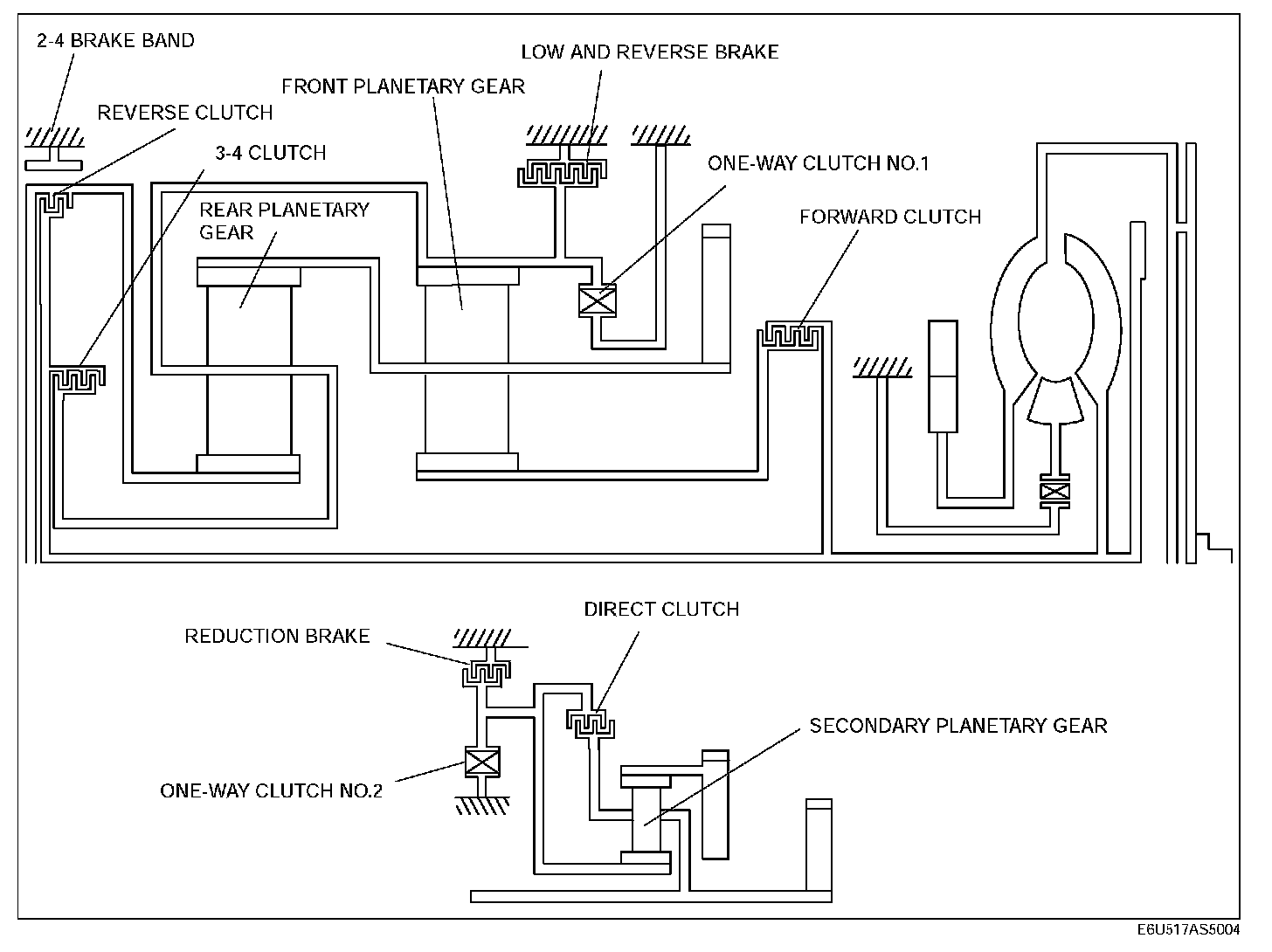
POWER FLOW STRUCTURE
^
The powertrain mechanism of the FS5A-EL type consists of four pairs of clutches, two pairs of brakes, band brake, two pairs of one-way clutches, and three pairs of single type planetary gears.