Curiosii for ever!: Car repair manuals for everyone.

Front Lower Arm Removal/Installation




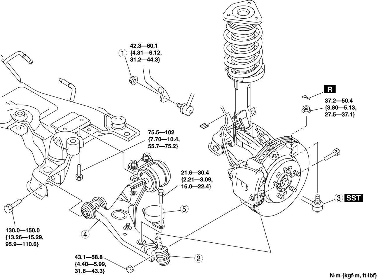
FRONT LOWER ARM REMOVAL/INSTALLATION

1. Remove in the order indicated in the table.

2. Install in the reverse order of removal.

3. Inspect the wheel alignment and adjust it if necessary. Front Wheel Alignment










Front Lower Arm Removal Note

NOTE:
- Move the engine and transaxle slightly towards the front side of the vehicle so that the engine does not interfere with the removal of the lower arm rear side bolt.

1. Remove the No.1 engine mount center bolt. Removal and Replacement

2. Move the engine and transaxle slightly towards the front side of the vehicle using a jack.

3. Remove the front lower arm rear side bolt.

4. Remove the front lower arm.

Front Lower Arm Installation Note

CAUTION:
- Install the front lower arm according to the following procedures for optimal installation. Tighten the lower arm installation bolt properly when the vehicle is lifted.

1. Temporarily install the front lower arm.

2. Install the No.1 engine mount.

Tightening torque
- 93.1-116.6 Nm {9.50-11.88 kgf-m, 68.67-85.99 ft-lbf}

3. Tighten the front lower arm rear side bolt.

4. Tighten the front lower arm front side bolt.

5. Tighten the nut (front lower arm ball joint).