Curiosii for ever!
: Car repair manuals for everyone.
Home
>>
Mazda
>>
2009
>>
5 L4-2.3L
>>
Repair and Diagnosis
>>
Maintenance
>>
Wheels and Tires
>>
Tire Monitoring System
>>
Testing and Inspection
>>
Scan Tool Testing and Procedures
>>
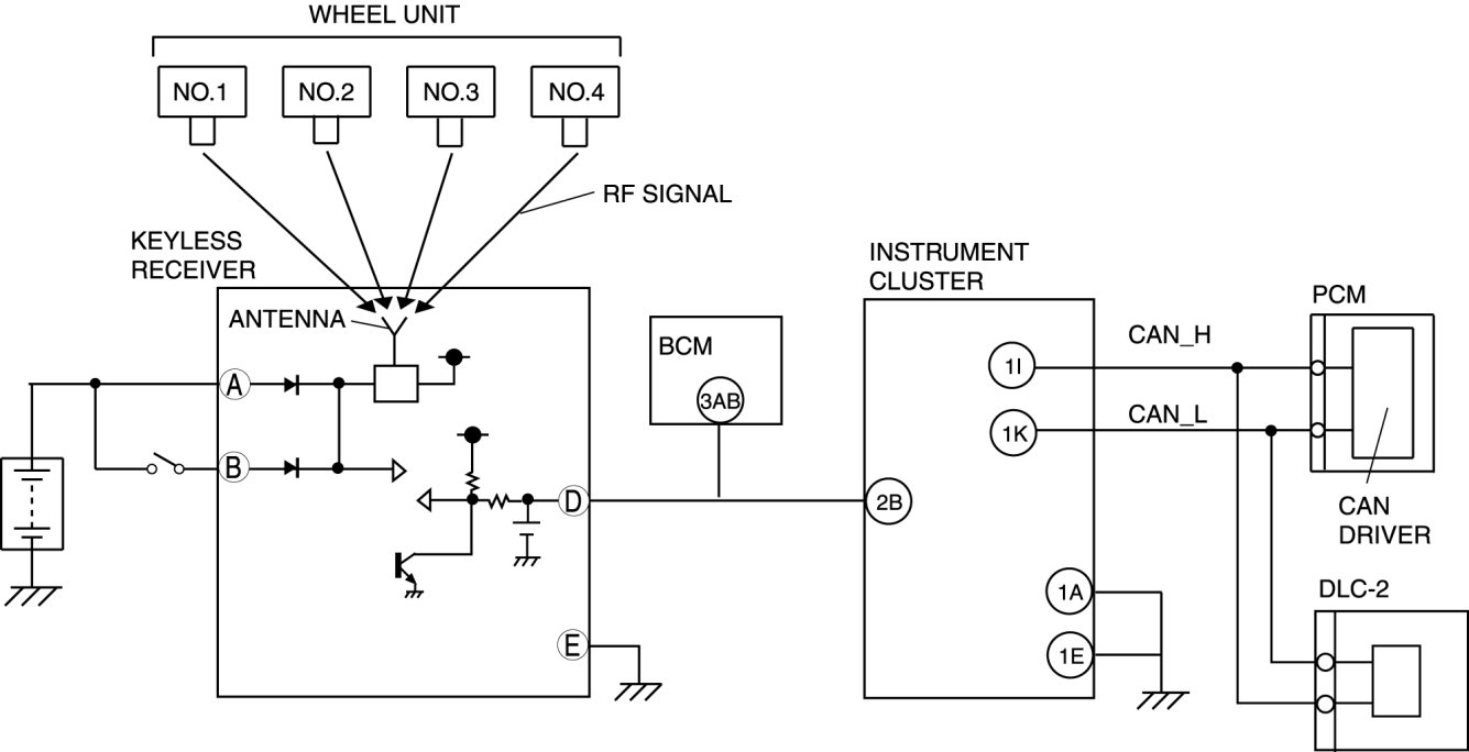
Tire Pressure Monitoring System (TPMS) Wiring Diagram
Tire Pressure Monitoring System (TPMS) Wiring Diagram
TIRE PRESSURE MONITORING SYSTEM (TPMS) WIRING DIAGRAM