Curiosii for ever!
: Car repair manuals for everyone.
Home
>>
Mazda
>>
2009
>>
5 L4-2.3L
>>
Repair and Diagnosis
>>
Diagrams
>>
Electrical Diagrams
>>
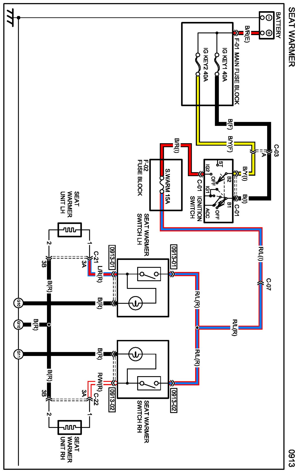
Seat Temperature Element
Seat Temperature Element
Diagram 0913:
Connectors 0913:
Routing View 0913:
Diagrams:
Other diagrams referred to by name within these diagrams can be found at
Diagrams by Diagram Name
.
Diagrams By Diagram Name