Curiosii for ever!: Car repair manuals for everyone.

Antilock Brakes / Traction Control Systems

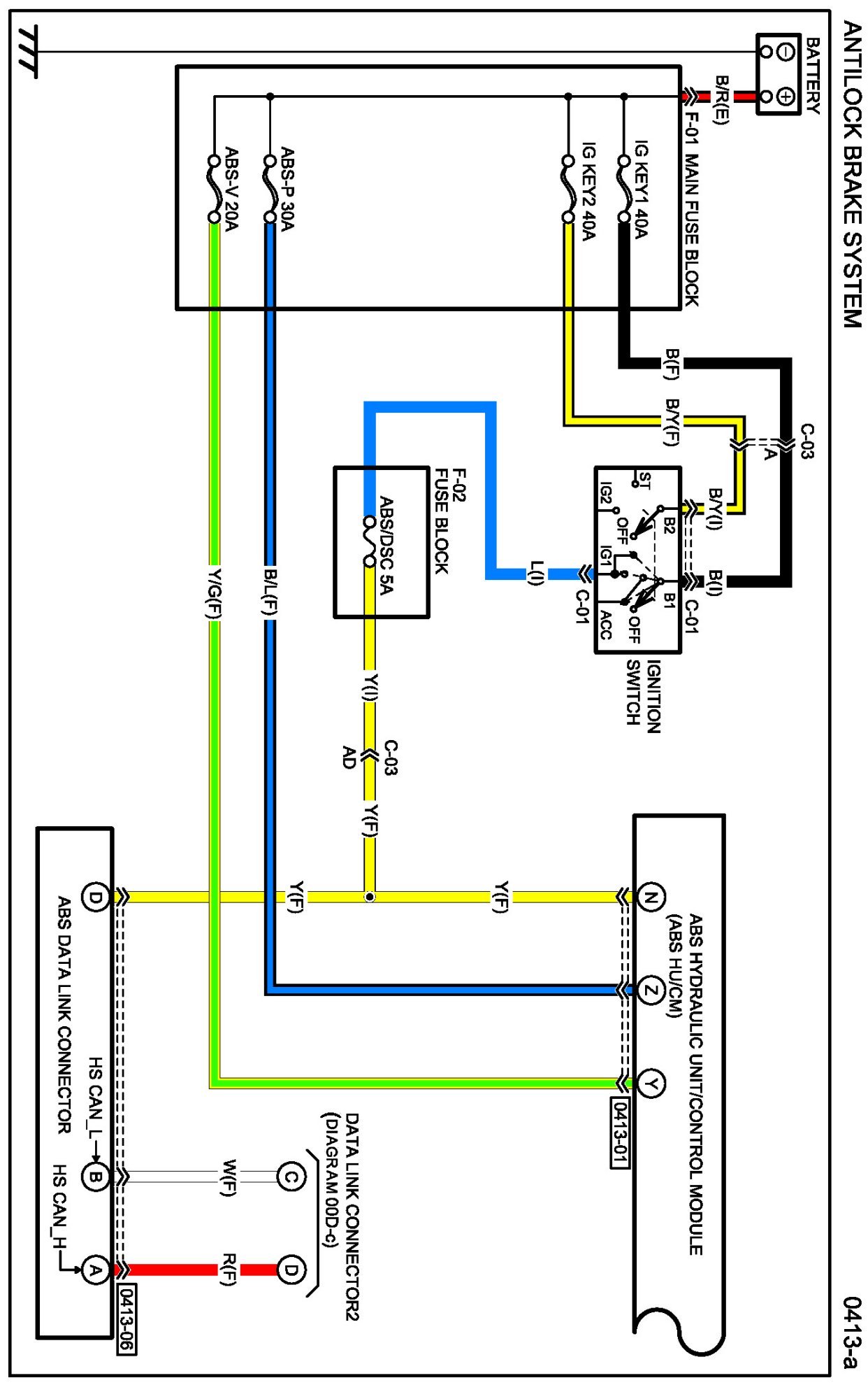
Diagram 0413-a:




Connectors 0413-a:




Routing View 0413-a:






Diagram 0413-b:




Connectors 0413-b:




Routing View 0413-b:






Diagrams: Other diagrams referred to by name within these diagrams can be found at Diagrams by Diagram Name. Diagrams By Diagram Name