Curiosii for ever!
: Car repair manuals for everyone.
Home
>>
Mazda
>>
2009
>>
5 L4-2.3L
>>
Repair and Diagnosis
>>
Body and Frame
>>
Seats
>>
Service and Repair
>>
Overhaul
>>
Third-Row Seat Disassembly/Assembly
Third-Row Seat Disassembly/Assembly
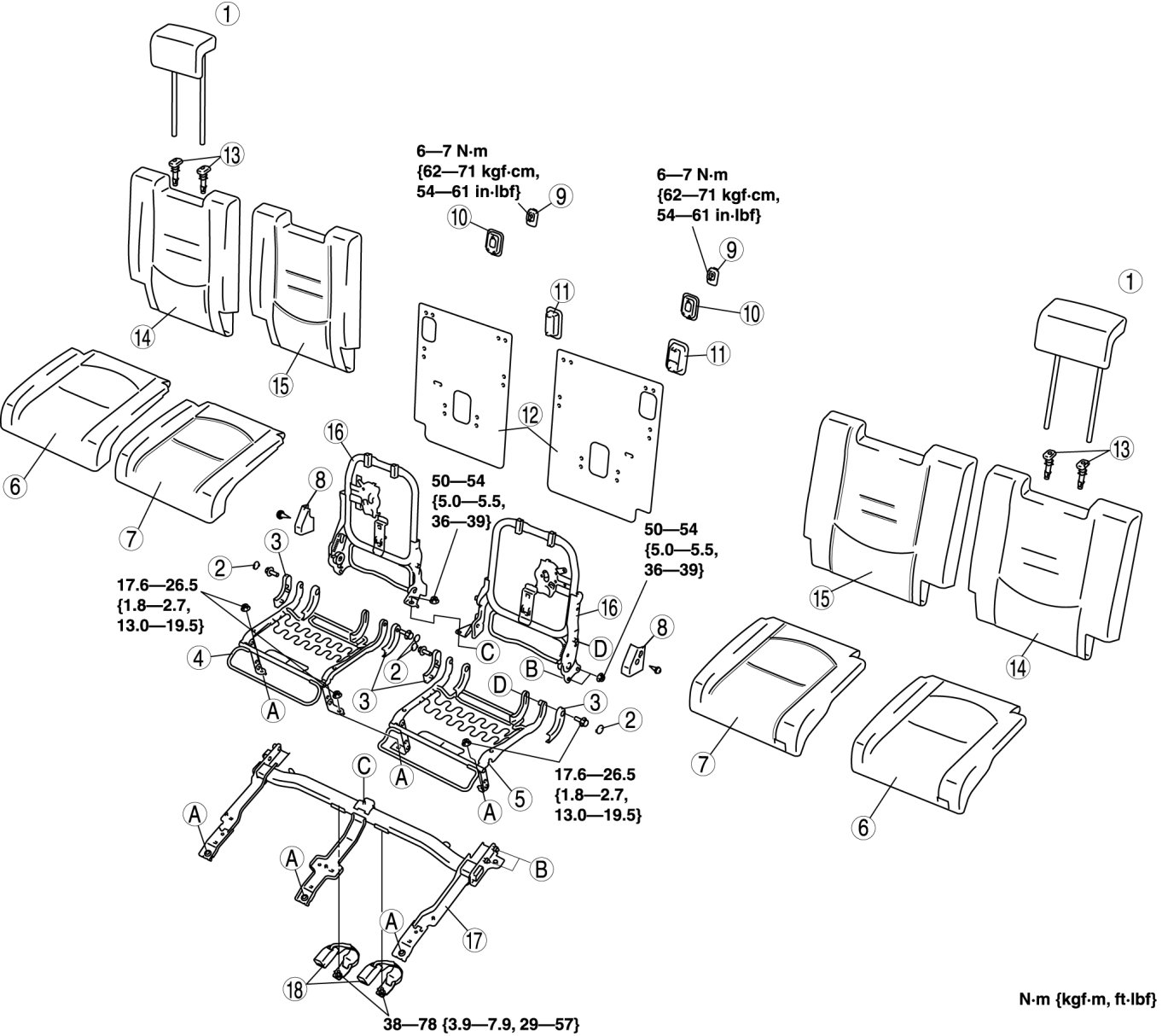
THIRD-ROW SEAT DISASSEMBLY/ASSEMBLY
1. Disassemble in the order indicated in the table.
2. Assemble in the reverse order of disassembly.