Curiosii for ever!
: Car repair manuals for everyone.
Home
>>
Mazda
>>
2009
>>
5 L4-2.3L
>>
Repair and Diagnosis
>>
Body and Frame
>>
Body Control Systems
>>
Diagrams
>>
Electrical Diagrams
>>
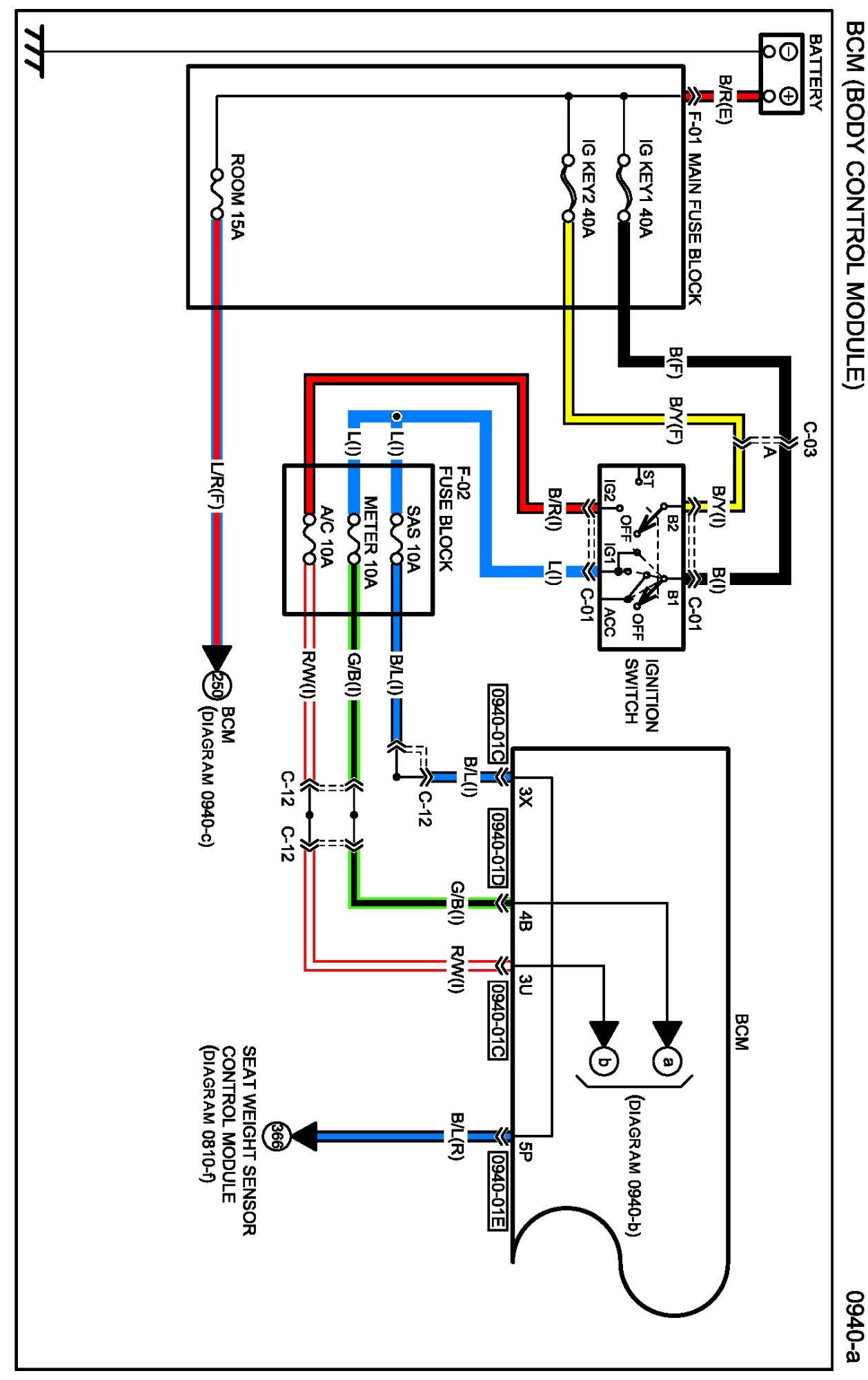
Diagram 0940-a
Diagram 0940-a
Diagram 0940-a:
Connectors 0940-a:
Routing View 0940-a:
Next Diagram
Diagram 0940-b
Diagrams:
Other diagrams referred to by name within these diagrams can be found at
Diagrams by Diagram Name
.
Diagrams By Diagram Name