3RD/4TH Clutch Hub Assembly Note
3rd/4th Clutch Hub Assembly Note1. Install the synchronizer key springs in the clutch hub with the hooks in the grooves to hold the three synchronizer key in place.
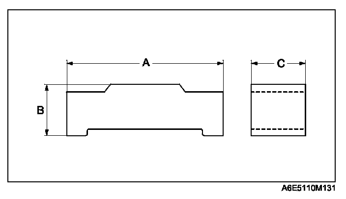
Synchronizer key size
A: 17.0 mm (0.669 in)
B: 4.25 mm (0.167 in)
C: 5.0 mm (0.20 in)
2. Align the synchronizer ring grooves with the synchronizer key during assembly.