Curiosii for ever!: Car repair manuals for everyone.

A/C Unit Disassembly/Assembly [Full-Auto Air Conditioner]




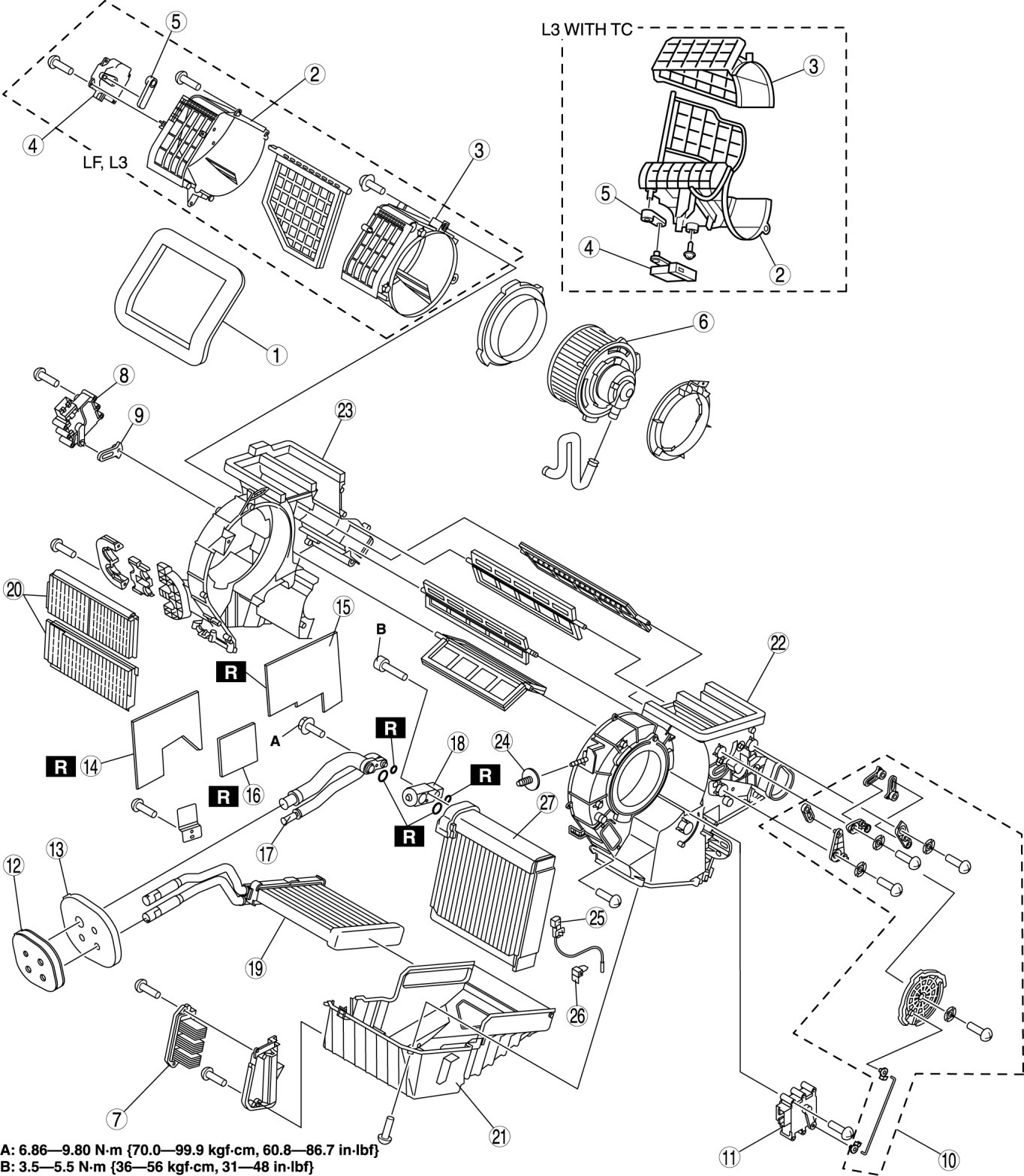
A/C UNIT DISASSEMBLY/ASSEMBLY [FULL-AUTO AIR CONDITIONER]

1. Disassemble in the order indicated in the table.

CAUTION:
- If a non-specified grease is used, it may result in abnormal noise or improper operation of the links. Apply only the specified grease to each link.










2. Assemble in the reverse order of disassembly.

Sensor Clamp Assembly Note

1. Attach the sensor clamp as shown in the figure.






Evaporator Temperature Sensor Assembly Note

1. Assemble the evaporator temperature sensor as shown in the figure.






Adhesive Polyurethane Assembly Note

1. Assemble the adhesive polyurethane as shown in the figure.

Adhesive polyurethane (4)





Adhesive polyurethane (3)





Adhesive polyurethane (2)