Curiosii for ever!
: Car repair manuals for everyone.
Home
>>
Mazda
>>
2009
>>
3 L4-2.3L
>>
Repair and Diagnosis
>>
Body and Frame
>>
Locks
>>
Keyless Entry
>>
Testing and Inspection
>>
Symptom Related Diagnostic Procedures
>>
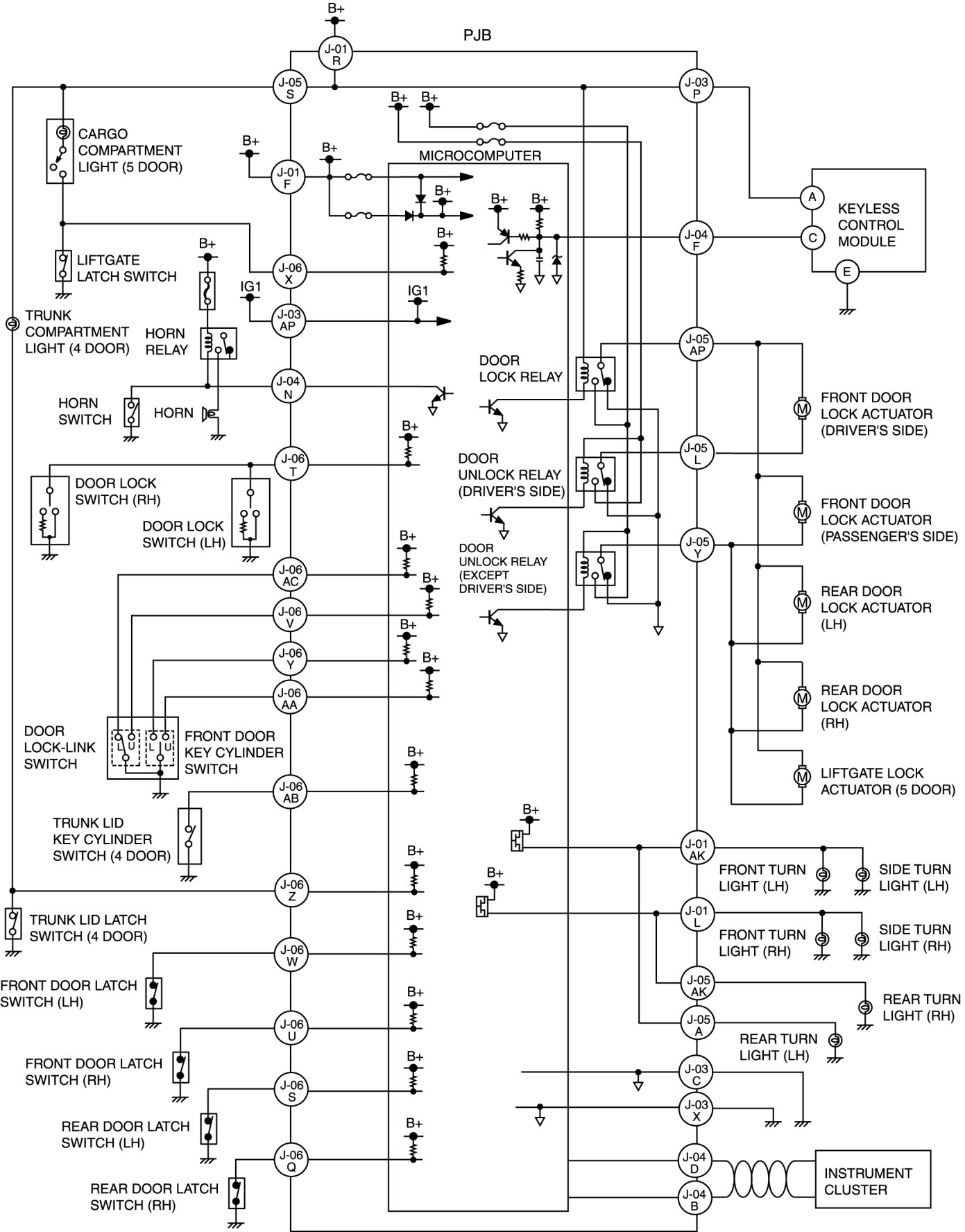
Keyless Entry System Wiring Diagram [Keyless Entry System]
Keyless Entry System Wiring Diagram [Keyless Entry System]
KEYLESS ENTRY SYSTEM WIRING DIAGRAM [KEYLESS ENTRY SYSTEM]