Camshaft Bearing
Camshaft Bearing[LF, L3]
Camshaft Cap bolts
Tighten torque
Step 1. 5.0-8.0 N-m (51.0-81.5 kgf-cm, 44.3-70.8 in-lbf)
Step 2. 14-17 N-m (1.5-1.7 kgf-m, 10.4-12.5 ft-lbf)
[L3 WITH TC]
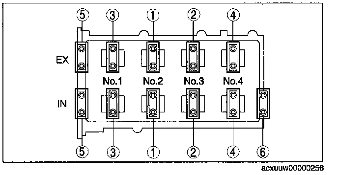
Camshaft Cap Bolts
Install the camshaft caps and temporarily tighten the camshaft cap bolts evenly in two or three passes, and then tighten the camshaft cap bolts using the following two steps, in the order shown in the figure.
Tightening procedure
1st step: 5.0-9.0 N-m (51-91 kgf-cm, 45-79 in-lbf)
2nd step: 14-17 N-m (1.5-1.7 kgf-m, 11-12 ft-lbf)