Curiosii for ever!
: Car repair manuals for everyone.
Home
>>
Mazda
>>
2009
>>
3 L4-2.0L
>>
Repair and Diagnosis
>>
Heating and Air Conditioning
>>
Blower Motor Switch
>>
Testing and Inspection
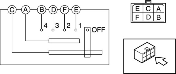
Blower Motor Switch: Testing and Inspection
FAN SWITCH INSPECTION
1.
Remove the climate control unit.
2.
Verify that the continuity between the fan switch terminals is as indicated in the table.
-
If there is any malfunction, replace the fan switch.