Curiosii for ever!: Car repair manuals for everyone.

Overhaul

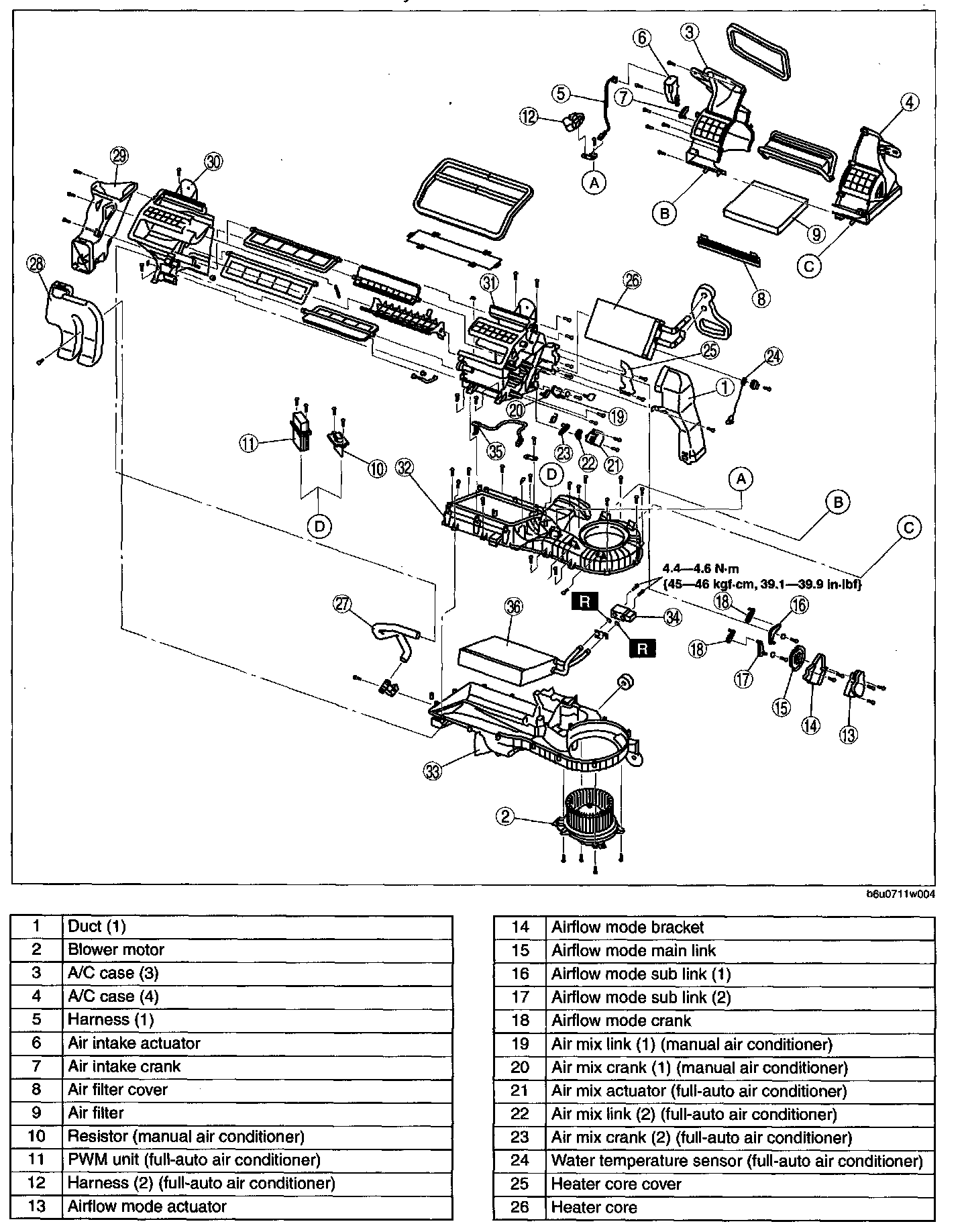
A/C UNIT DISASSEMBLY/ASSEMBLY [L3, AJ]

1. Disassemble in the order indicated in the table.
2. Assemble in the reverse order of disassembly.









Evaporator Temperature Sensor Assembly Note




1. Assemble the evaporator temperature sensor as shown in the figure.