Curiosii for ever!
: Car repair manuals for everyone.
Home
>>
Mazda
>>
2008
>>
5 L4-2.3L
>>
Repair and Diagnosis
>>
Power and Ground Distribution
>>
Auxiliary Power Outlet
>>
Diagrams
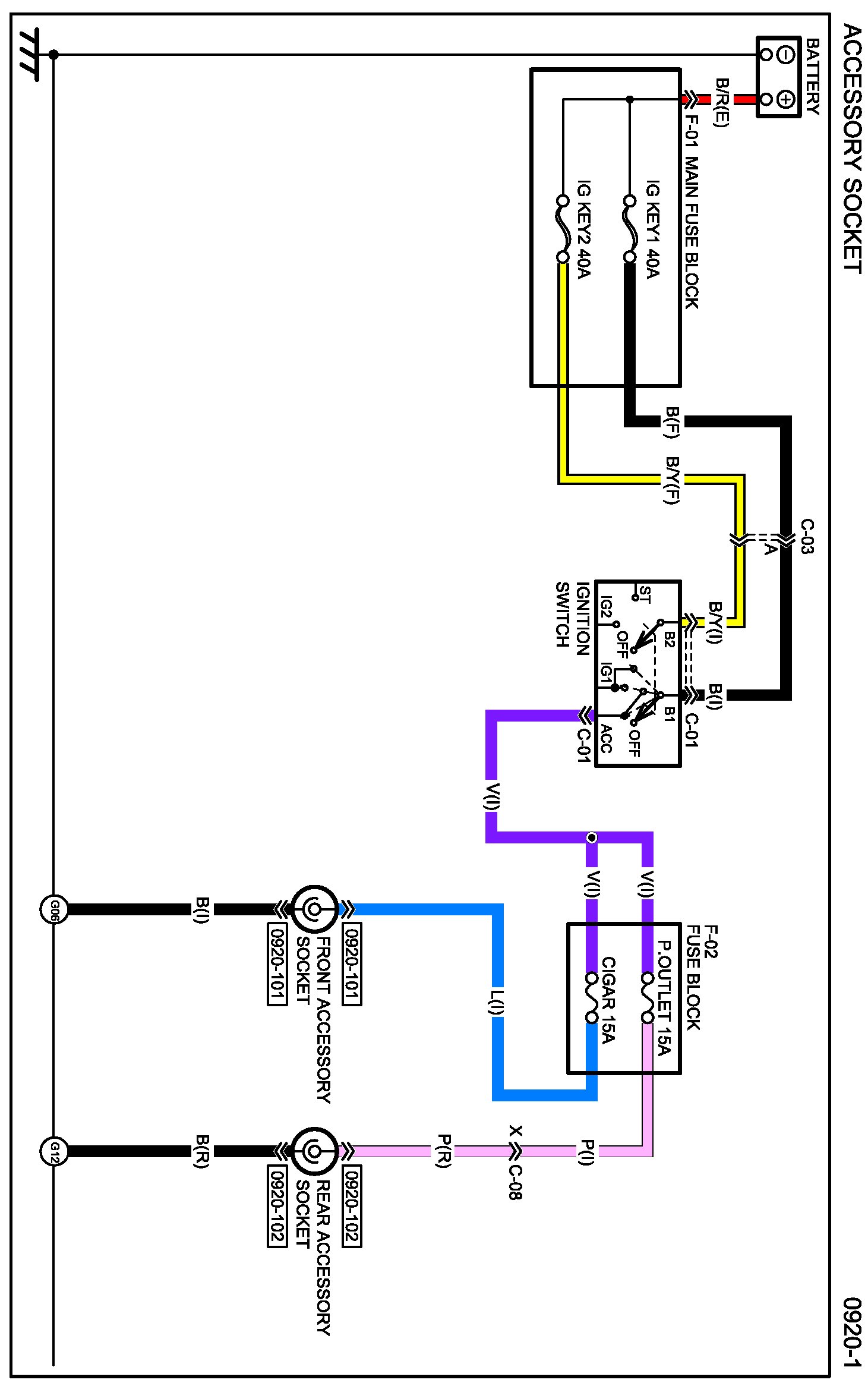
Auxiliary Power Outlet: Diagrams
Diagram 0920-1:
Connectors 0920-1:
Routing View 0920-1:
Diagrams:
Other diagrams referred to by name within these diagrams can be found at
Diagrams by Diagram Name
.
Diagrams By Diagram Name