Curiosii for ever!: Car repair manuals for everyone.

Yaw Rate Sensor: Service and Repair

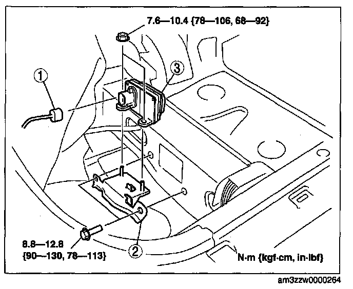
COMBINED SENSOR REMOVAL/INSTALLATION

Caution:
^ The DSC may not function normally immediately after the combined sensor/ is replaced. After installation, always perform the initialization procedures for the combined sensor.
^ The internal parts of the combined sensor could be damaged if dropped. Be careful not to drop the combined sensor. Replace the combined sensor if it is subjected to an impact. Also, do not use an impact wrench or other similar air tools when removing/installing the sensor.


1. Perform the following and partially peel back the floor covering.
1) Remove the front seat (RH).
2) Remove the woofer.
3) Remove the front scuff plate (RH).
4) Remove the front side trim (RH).





2. Remove in the order indicated in the table.





3. Install in the reverse order of removal.
4. After installation, perform the combined sensor initialization procedure. (See COMBINED SENSOR INITIALIZATION PROCEDURE.) Programming and Relearning