Curiosii for ever!: Car repair manuals for everyone.

Front

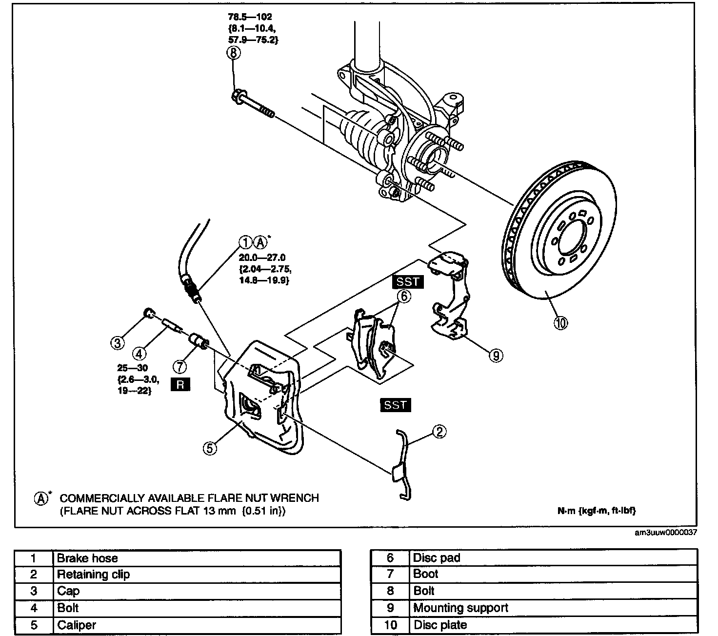
FRONT BRAKE (DISC) REMOVAL/INSTALLATION [L3 WITH TC]
1. Remove in the order indicated in the table.
2. Install in the reverse order of removal.
3. After installation, pump the brake pedal a few times and verify that the brakes do not drag.





Retaining Clip Removal Note





1. Move the retaining clip in the direction shown by the arrow using a flathead screwdriver and remove it from the caliper.

Disc Pad Installation Note





1. Clean the exposed area of the piston.
2. Push the piston in using the SST.
3. Install the disc pad to the caliper.

Brake Hose Installation Note





1. Install the brake hose to the caliper.
2. Tighten the flare nut while holding the brake hose at point A with a spanner or equivalent.
3. Verify that the brake hose is not twisted.