Curiosii for ever!: Car repair manuals for everyone.

[G35M-R, A65M-R]

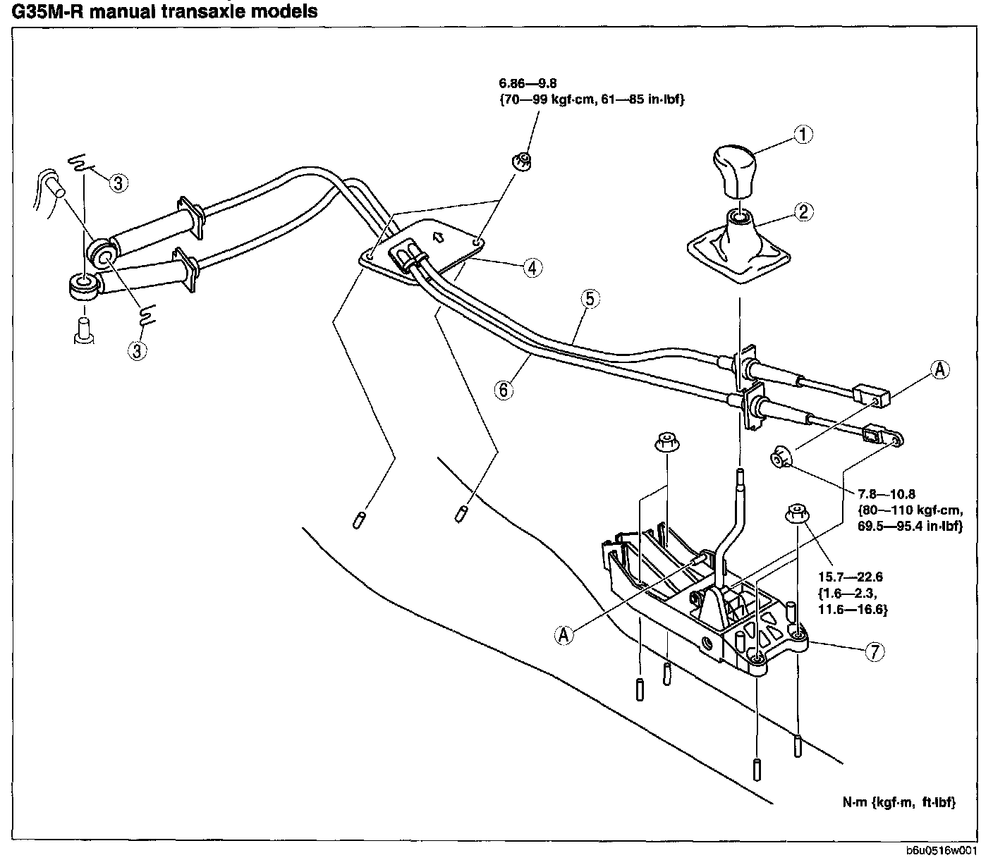
SHIFT MECHANISM REMOVAL/INSTALLATION [G35M-R, A65M-R]
1. Remove the battery and battery tray.
2. Remove the air cleaner component.
3. Remove the dashboard completely.
4. Remove the SAS control module.
5. Remove the climate control unit.
6. Remove the rear heat duct.
7. Remove in the order indicated in the table.
8. Install in the reverse order of removal.
9. After installation, verify that the shift lever can be shifted smoothly into each position.

G35M-R Manual Transaxle Models:




A65M-R Manual Transaxle Models:





Select Cable Installation Note
1. Remove the center console.
2. Make sure that the shift lever (transaxle side) is in neutral.
3. Unlock the lock piece of the select cable (shift lever side) in the order shown in the figure.

G35M-R manual transaxle models





A65M-R manual transaxle models





4. Shift the shift lever to neutral.
5. Lock the lock piece of the selector cable (shift cable side) in the order shown in the figure.

G35M-R manual transaxle models





A65M-R manual transaxle models





6. Install the center console.
7. Shift the shift lever from neutral to other position, and make sure that there are no other components in that area to interfere with the lever.