Curiosii for ever!: Car repair manuals for everyone.

Shifter A/T: Service and Repair

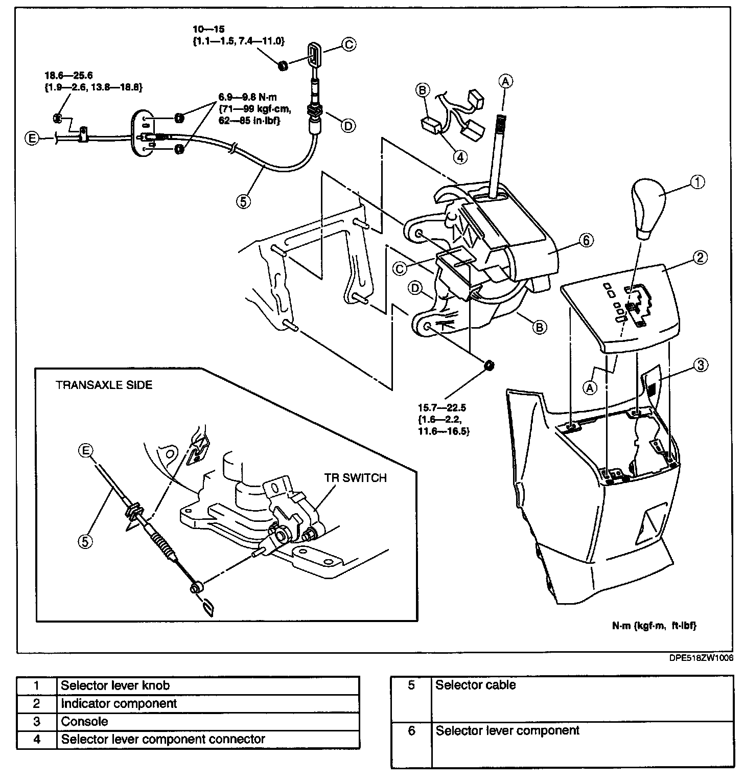
SELECTOR LEVER COMPONENT REMOVAL/INSTALLATION
1. Remove the battery duct and battery cover.
2. Remove the following parts:
(1) Battery, battery box and battery tray
(2) Air cleaner component
(3) Side wall
(4) Heat insulator (front and center)
3. Remove in the order indicated in the table.
4. Install in the reverse order of removal.





Selector Cable Removal Note





1. Remove the clip.
2. Remove the selector cable.

Selector Lever Component Installation Note





1. Tighten the nut in the order as shown in the figure.

Tightening torque
15.7-22.5 Nm (1.6-2.2 kgf.m, 11.6-16.5 ft.lbf)

Selector Cable Installation Note
1. Install the selector cable (selector lever component side) to the selector lever securely
2. Install the selector cable (selector lever component side) to the selector lever bolt, and then temporarily tighten the nut.





3. Verify that the selector lever bolt end is exposed from the nut.
4. Verify that the selector lever is in the P position.
5. Verify that the manual shaft is in the P position.

Caution:
^ Bending the selector cable in the manner shown in the figure will damage the cable and it may become loose when shifted. When installing the selector cable, hold it straight.






6. Install the selector cable (transaxle side) to the selector cable bracket securely.





7. Install the clip as shown in the figure.





Note:
^ Install the selector cable to the manual shaft lever with the clip side of the selector cable end facing the front of the vehicle.

8. Install the selector cable to the manual shaft lever in such a way that the selector cable does not bear a load.
9. Verify that the manual shaft lever end is exposed from the selector cable end.
10. Install the nut completely so that no load acts on the selector lever.

Tightening torque
10-15 Nm (1.1-1.5 kgf.m, 7.4-11.0 ft.lbf)