Curiosii for ever!: Car repair manuals for everyone.

Rear

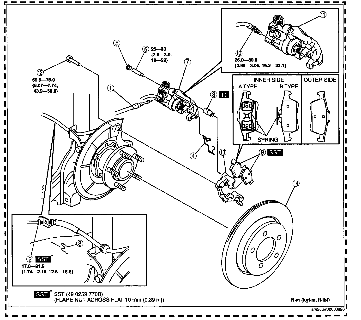
REAR BRAKE (DISC) REMOVAL/INSTALLATION
1. Remove in the order indicated in the table.
2. Install in the reverse order of removal.
3. After installation, add brake fluid, bleed the air, and inspect for fluid leakage.
4. After installation, pump the brake pedal a few times and inspect the following:
- Parking brake lever stroke
- Brake drag








Disc Pad Removal Note
1. Remove the disc pad (outer side) from the mounting support.
2. Remove-the disc pad-(inner side)-from the-mounting support. (B-type)





3. Pull the disc pad (inner side) in the direction of the arrow to remove it from the caliper as shown in the figure. (A type)

Disc Pad Installation Note





1. Clean the exposed area of the piston.
2. Install the SST (49 F043 002) to the SST (49 B043 005).
3. Align the SST projection to the piston groove.





4. Rotate part A on the SST in the direction of the arrow and secure the SST to the caliper.





5. Rotate the SST in the direction of the arrow and push the piston completely into the caliper.

Note:
^ Even with the piston completely pushed in, the top the piston projects from the dust seal by approximately 2 mm (0.09 in).





6. Rotate part A on the SST in the direction of the arrow using the tool and remove the SST from the caliper.





7. Align the disc pad (inner side) spring into the piston groove, and insert it in the direction of the arrow. (A type)
8. Install the disc pad (inner side) to the mounting support. (B type)
9. Install the disc pad (outer side) to the mounting support.