Curiosii for ever!: Car repair manuals for everyone.

Selector Lever Component Removal/Installation

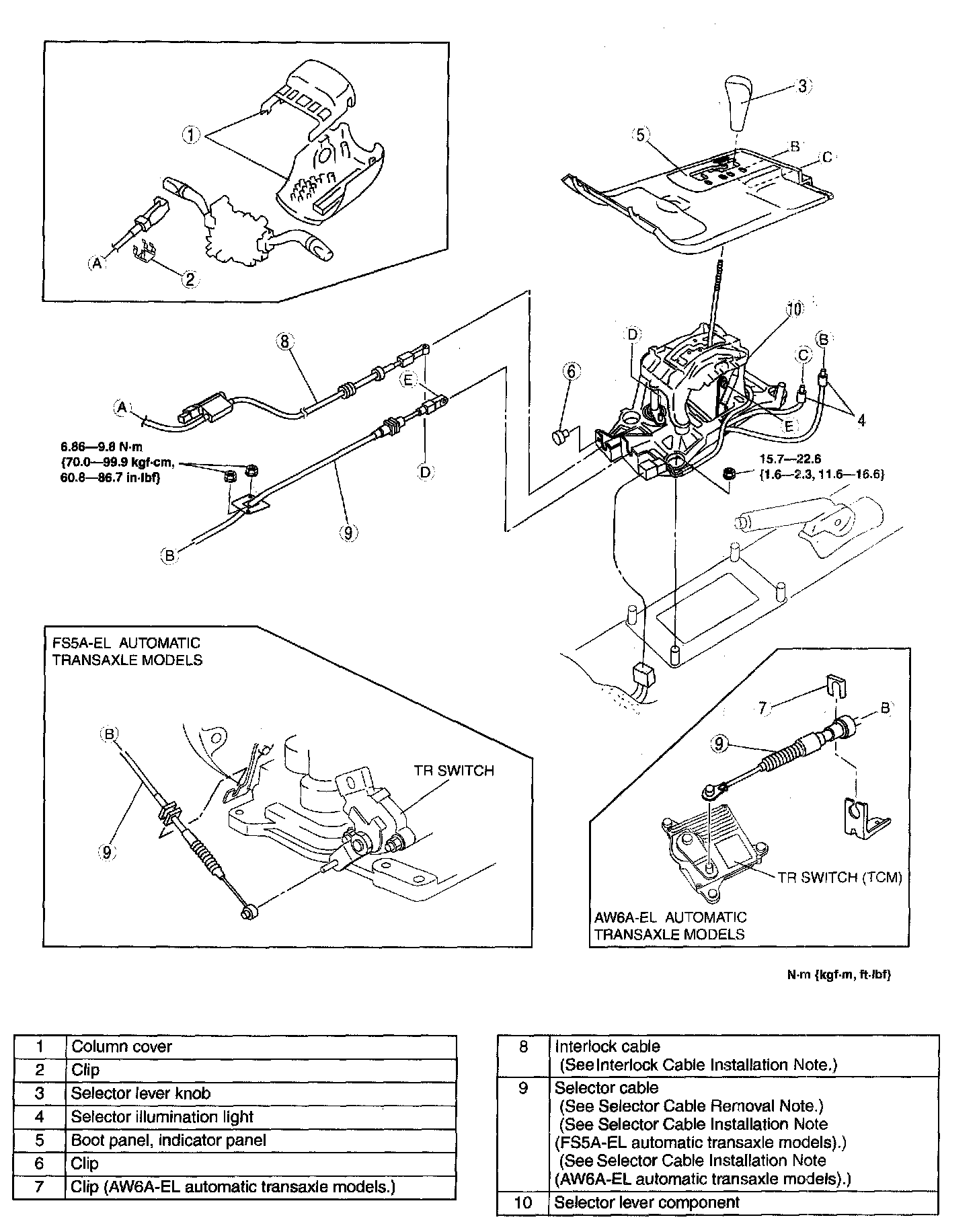
SELECTOR LEVER COMP0NENT REMOVAL/INSTALLATION

1. Disconnect the negative battery cable.
2. Remove the following parts.
1) Battery and battery tray
2) Air cleaner component
3) Center console
4) Dashboard completely
5) SAS control module
6) Climate control unit





3. Remove in the order shown in the figure.
4. Install in the reverse order of removal.

Selector Cable Removal Note





1. Remove the clip.
2. Remove the selector cable.
FS5A-EL automatic transaxle models





AW6A-EL automatic, transaxle models

Selector Cable Installation Note (FS5A-EL automatic transaxle models)





1. Install the selector cable to the selector lever securely.





2. Install the selector cable to the bracket securely.

Note:
^ Steps 3 and 4 are for the selector cable replacement only.

3. Verify that the selector lever is in the P position.





4. Lock the lock piece of the selector cable (selector lever side) in the order shown in the figure.
5. Verify that the manual shaft is in the P position.





Caution:
^ Bending the selector cable in the manner shown in the figure will damage the cable and it may become loose when shifted. When installing the selector cable, hold it straight.





6. Install the clip as shown in the figure.

Note:
^ Install the selector lever to the manual shaft lever with the clip side of the selector cable end facing the front of the vehicle.





7. Install the selector lever to the manual shaft lever so that no load acts on the selector cable.
8. Confirm that the tip of the manual shaft lever projects out of the end of the selector cable.
9. Securely install the selector cable to the selector cable bracket.

Selector Cable Installation Note (AW6A-EL automatic transaxle models)





1. Install the selector cable to the selector lever securely.





2. Install the selector cable and clip to the bracket as shown in the figure.

Note:
^ Steps 3 and 4 are for the selector cable replacement only.

3. Verify that the selector lever is in the P position.





4. Lock the lock piece of the selector cable (selector lever side) in the order shown in the figure.





5. Verify that the manual shaft is in the P position.

Caution:
^ Bending the selector cable in the manner shown In the figure will damage the cable and it may become loose when shifted. When installing the selector cable, hold it straight.





6. Install the clip as shown in the figure.

Note:
^ Install the selector lever to the manual shaft lever with the clip side of the selector cable end facing up.





7. Install the selector lever to the manual shaft lever so that no load acts on the selector cable.
8. Confirm that the tip of the manual shaft lever projects out of the end of the selector cable.
9. Securely install the selector cable to the selector cable bracket.

Interlock Cable Installation Note





1. Install the interlock cable as shown in the figure.

Caution:
^ Position the sponge protector so that it is not crushed or squeezed by the SAS control module.
^ If the interlock and selector cables cross over each other, position the interlock cable to pass over the selector cable.





2. Push the interlock cable.





3. Verify that the marking on the slider pin is positioned as shown in the figure.





4. Push the a 1.5 mm (0.059 inch) round bar or similar into hole A by fully pushing the slider pin in.





5. Fully pull the end of the interlock cable.





6. Push the a 1.5 mm (0.059 inch) round bar or similar into hole B and hole C of the lock unit until it passes through.
7. Disconnect the brake switch connector.
8. Remove the brake switch.
9. Install a new brake switch.

Caution:
^ Do not connect the brake switch connector until the interlock cable is installed.





10. With the slider pin pressed, slide the lock unit to fix the lock unit hook into the bracket hole securely as shown in the figure.

Caution:
^ Allowing the interlock cable to be bent or twisted during installation can affect the lock unit operation.

11. Rotate the slider pin to release the lock and verify that it slides freely





12. Pull the slider pin outward until it contacts the brake pedal stopper rubber and rotate the slider pin to lock.
13. Verify that the selector lever in the P position.





14. Install the interlock cable end to the cam pin on the selector lever.





15. Fit the interlock cable in the U-groove in the selector lever base plate and install the clip.





16. Press the interlock cable lock piece in until it is locked.

Caution:
^ Applying a load to the interlock cable while pressing the lock piece in can affect the lock unit operation.





17. Remove the a 1.5 mm (0.059 inch) round bar or similar from the lock unit holes A, B, and C.
18. Connect the brake switch connector with the brake pedal released.

Caution:
^ The clearance between the brake switch and the brake pedal is automatically adjusted to the correct amount when the brake switch connector is connected after the brake switch has been properly installed. If the brake switch is not properly installed or the connector is connected before installation, the clearance may be incorrect, causing a brake light malfunction. Therefore, always verify that the brake switch is properly installed before connecting the connector.
^ Once the brake switch clearance has automatically been adjusted, it cannot be adjusted again. Therefore, replace the switch with a new one when replacing the power brake unit or the pedal, or performing any procedure that changes the pedal stroke.





19. Turn the ignition switch to ON position.
20. Install the interlock cable to the steering lock.
21. Slide the outer casing to the steering lock and insert the clip over the convex part of the outer casing.