Curiosii for ever!
: Car repair manuals for everyone.
Home
>>
Mazda
>>
2005
>>
MX-5 Miata L4-1.8L DOHC
>>
Repair and Diagnosis
>>
Diagrams
>>
Exploded Views
>>
Engine
>>
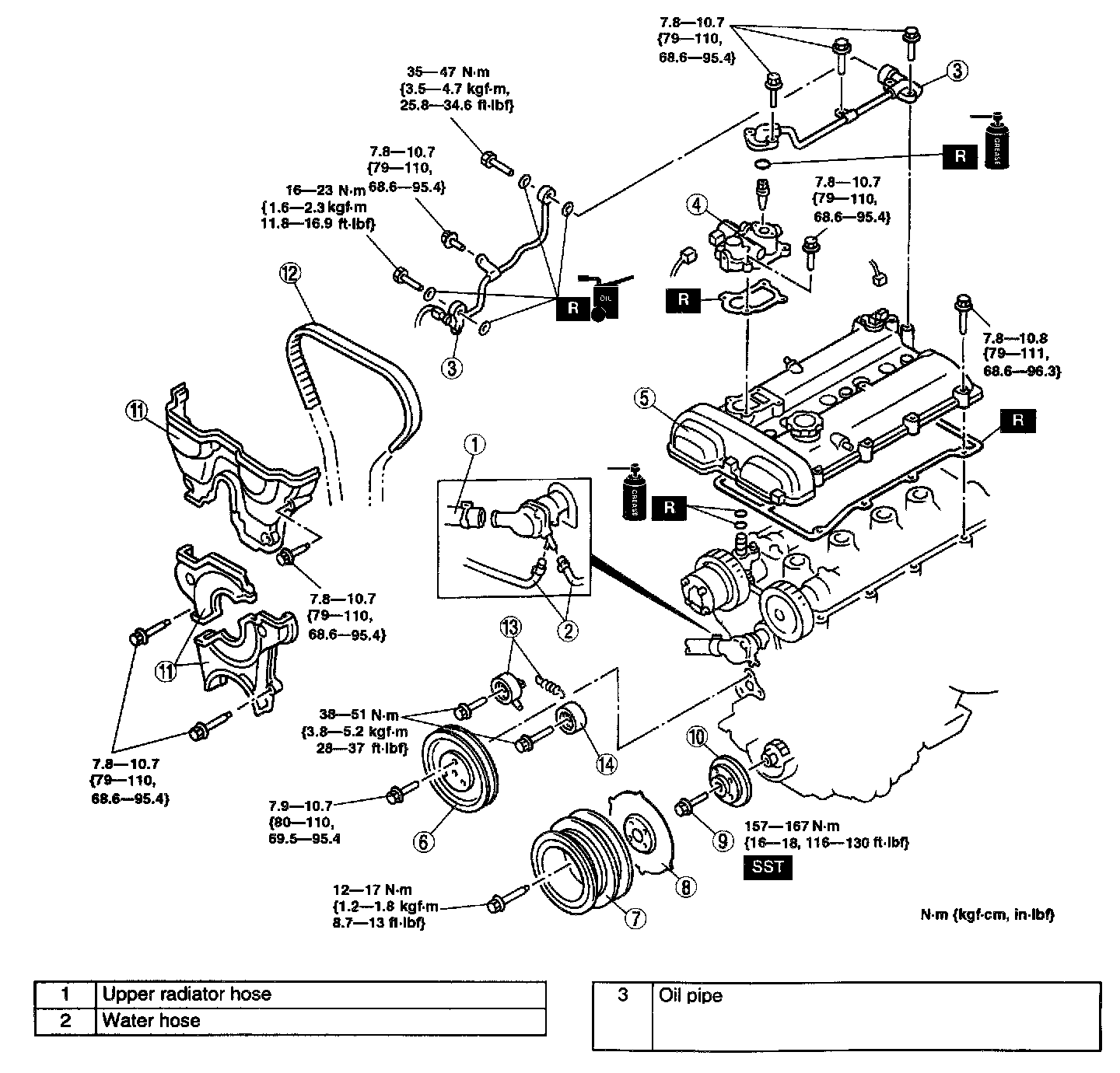
Timing Belt
Timing Belt