Curiosii for ever!: Car repair manuals for everyone.

Leak Detection Pump: Service and Repair

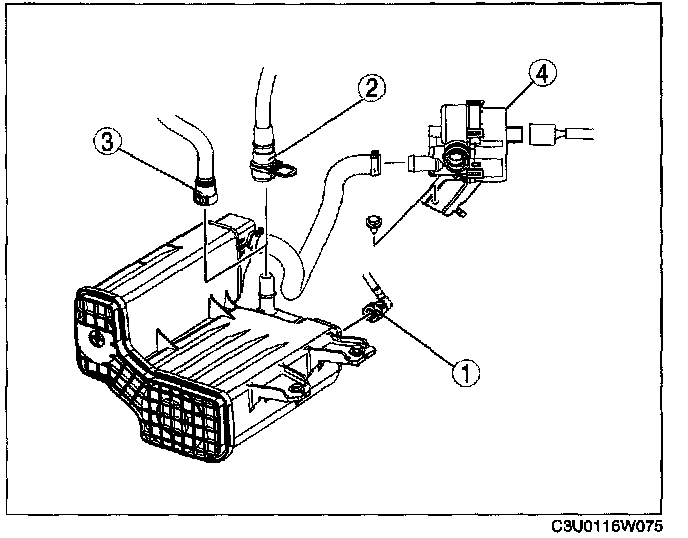
EVAPORATIVE EMISSION (EVAP) SYSTEM LEAK DETECTION PUMP REMOVAL/INSTALLATION




1. Remove the charcoal canister protector.







2. Remove in the order indicated in the table.
3. Install in the reverse order of removal
4. Verify that the rear wheel alignment is within the specification.

EVAP System Leak Detection Pump Removal Note
1. Support the rear crossmember using a transmission jack.
2. Remove the rear wheels.
3. Disconnect the ABS wheel-speed sensor wiring harness connector.




4. Disengage the brake pipe mount from bracket.
5. Remove the rear shock absorber lower bolts.
6. Loosen the rear crossmember installation nuts (6 locations) and lower the rear crossmember approx. 140 mm {5.5 in}.
7. Disconnect the breather hose.
8. Remove the installation bolt and remove the EVAP system leak detection pump.

EVAP System Leak Detection Pump Installation Note




1. Install the breather hose and clamp as shown in the figure.