Curiosii for ever!
: Car repair manuals for everyone.
Home
>>
Mazda
>>
2005
>>
3 L4-2.3L
>>
Repair and Diagnosis
>>
Brakes and Traction Control
>>
Disc Brake System
>>
Brake Pad
>>
Service and Repair
>>
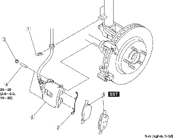
Front
Front
Brake Pad
Service
1.
Remove parts using the sequence shown.
2.
Installation is opposite of removal.