Curiosii for ever!: Car repair manuals for everyone.

Front

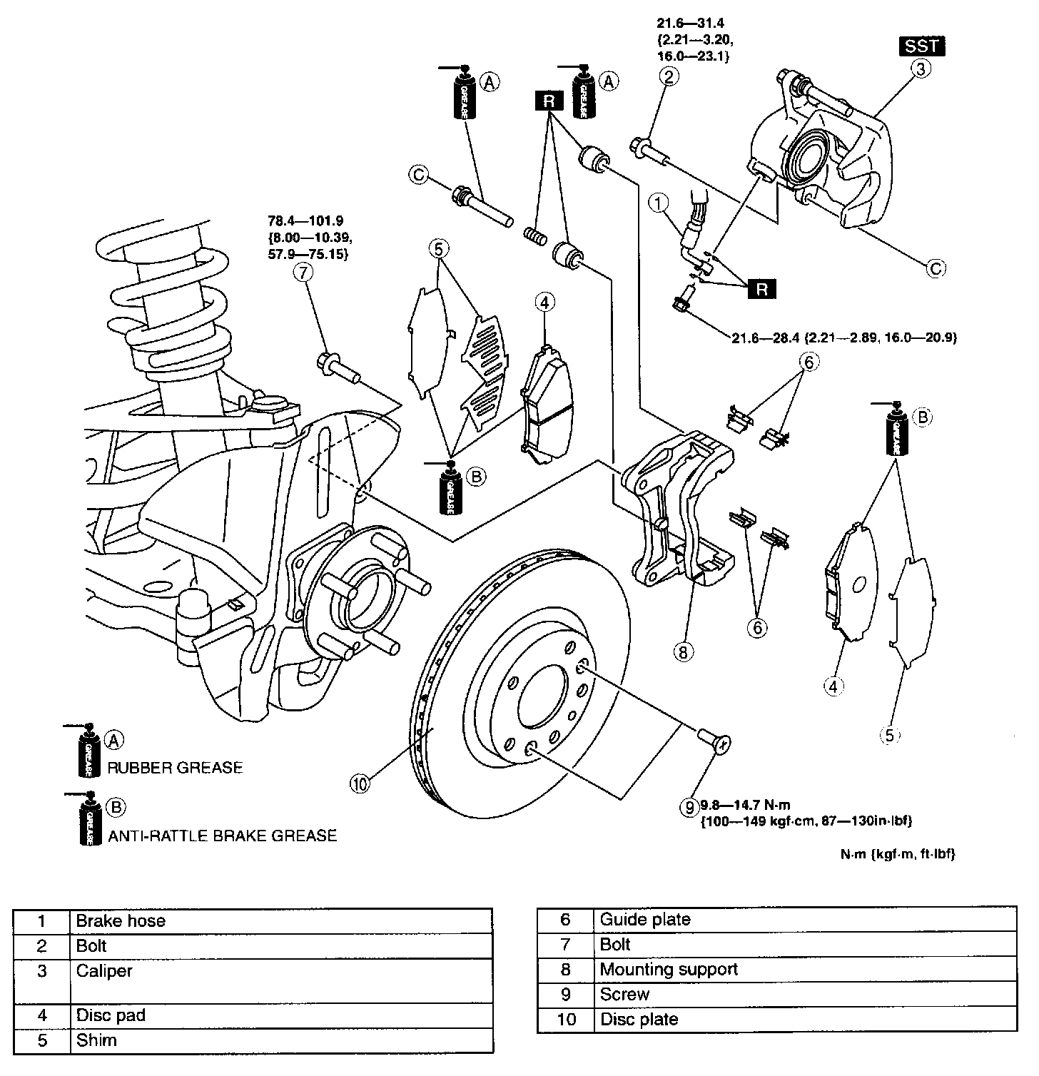
FRONT BRAKE (DISC) REMOVAL/INSTALLATION





1. Remove in the order indicated in the table.
2. Install in the reverse order of removal.
3. After installation. depress the brake pedal a few times. then verify that the brakes do not drag.

Caliper Installation Note





1. Clean the exposed area of the piston.
2. Install the piston using the SST.
3. Install the caliper.