Curiosii for ever!
: Car repair manuals for everyone.
Home
>>
Mazda
>>
2004
>>
RX8 2RTR-1.3L
>>
Repair and Diagnosis
>>
Brakes and Traction Control
>>
Antilock Brakes / Traction Control Systems
>>
Wheel Speed Sensor
>>
Service and Repair
>>
Dynamic Stability Control
>>
Rear
Rear
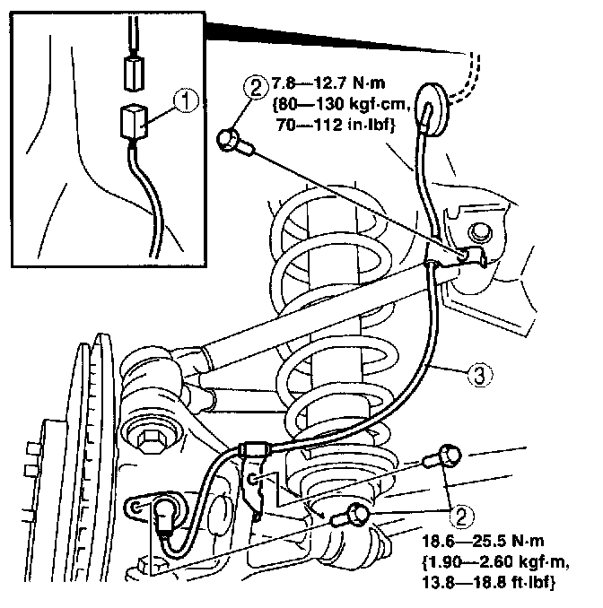
REAR WHEEL-
SPEED SENSOR
REMOVAL/INSTALLATION
1.
Remove the trunk side trim.
Part 1:
Part 2:
2.
Remove in the order indicated in the table.
3.
Install in the reverse order of removal.