Curiosii for ever!
: Car repair manuals for everyone.
Home
>>
Mazda
>>
2004
>>
MX-5 Miata L4-1.8L DOHC
>>
Repair and Diagnosis
>>
Specifications
>>
Mechanical Specifications
>>
Engine
>>
System Specifications
>>
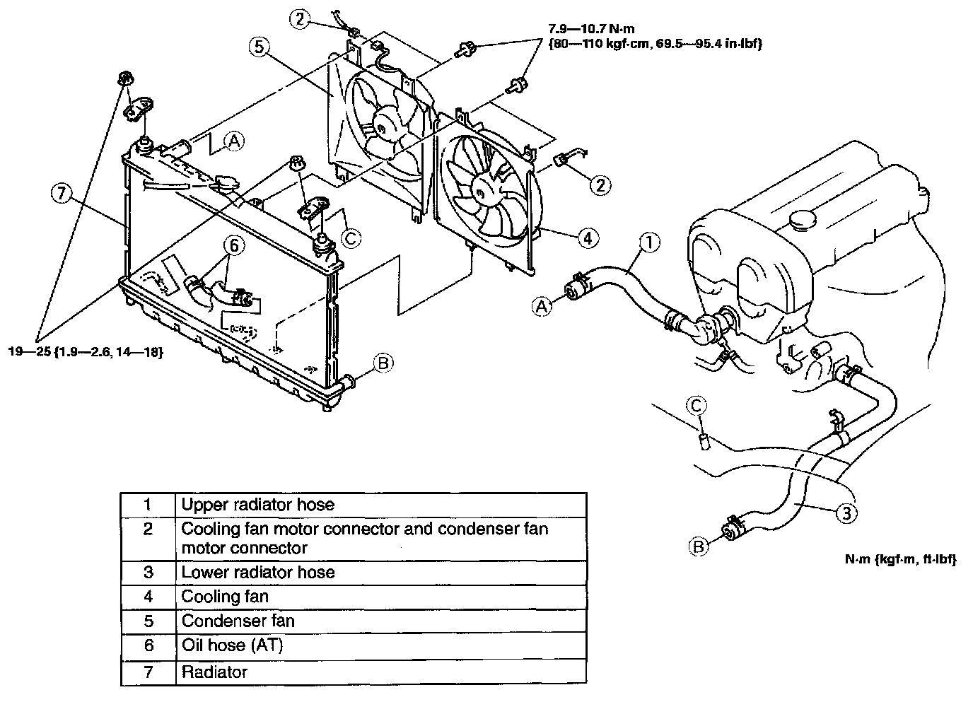
Radiator
Radiator