Curiosii for ever!: Car repair manuals for everyone.

Radiator: Service and Repair

RADIATOR REMOVAL/INSTALLATION





1. Disconnect the negative battery cable.
2. Drain the engine coolant.
3. Remove the air cleaner.
4. Remove the shroud panel.
5. Remove the cooling fan.
6. Disconnect the upper radiator hose from the radiator. (2.3L engine model)
7. Disconnect the oil hose from the radiator. (ATX)
8. Remove the coolant reservoir hose. (3.0L engine model)
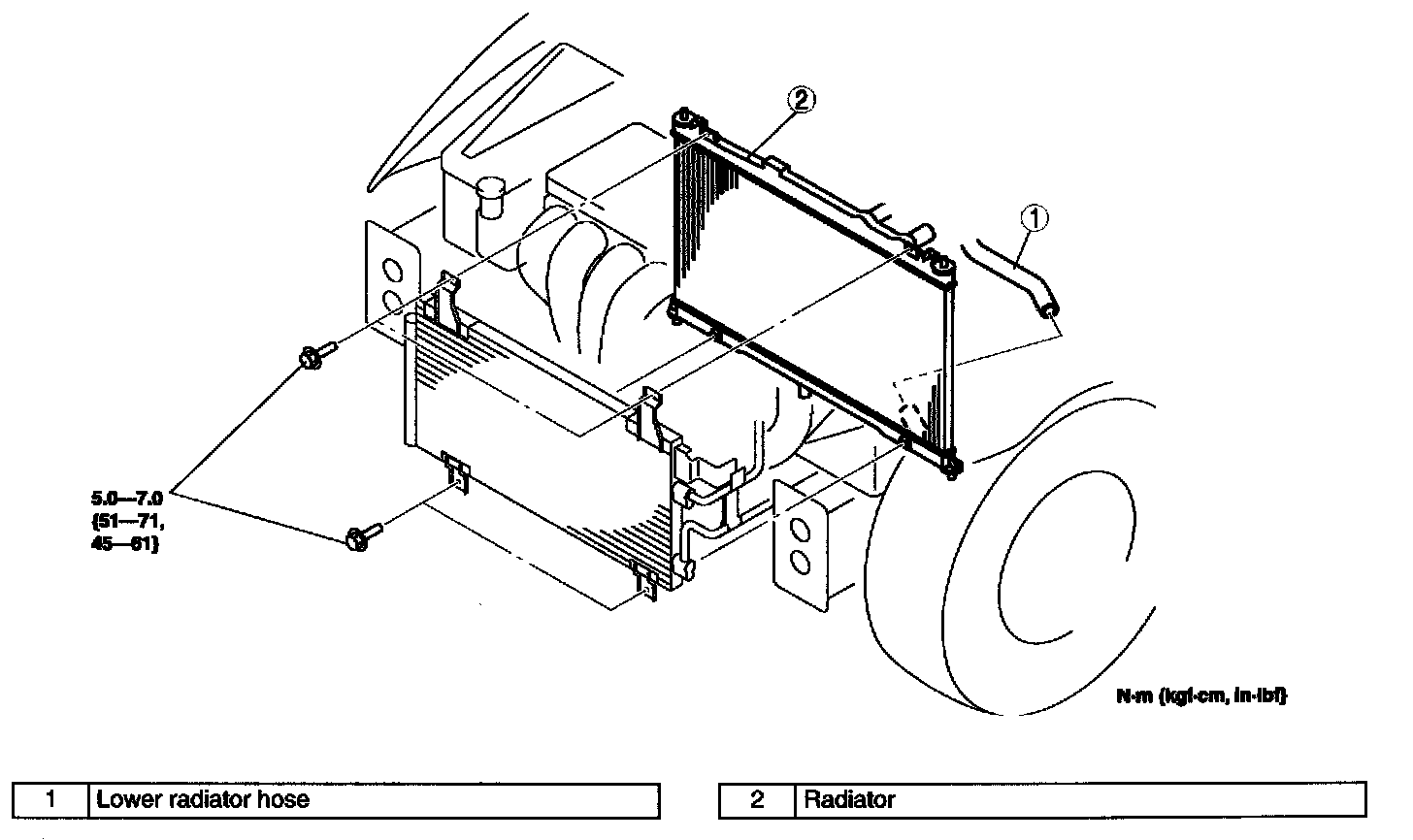
9. Remove in the order indicated in the table.
10. Install in the reverse order of the removal.
11. Add the engine coolant.
12. Inspect for engine coolant leakage.