Curiosii for ever!: Car repair manuals for everyone.

Disassembly and Assembly

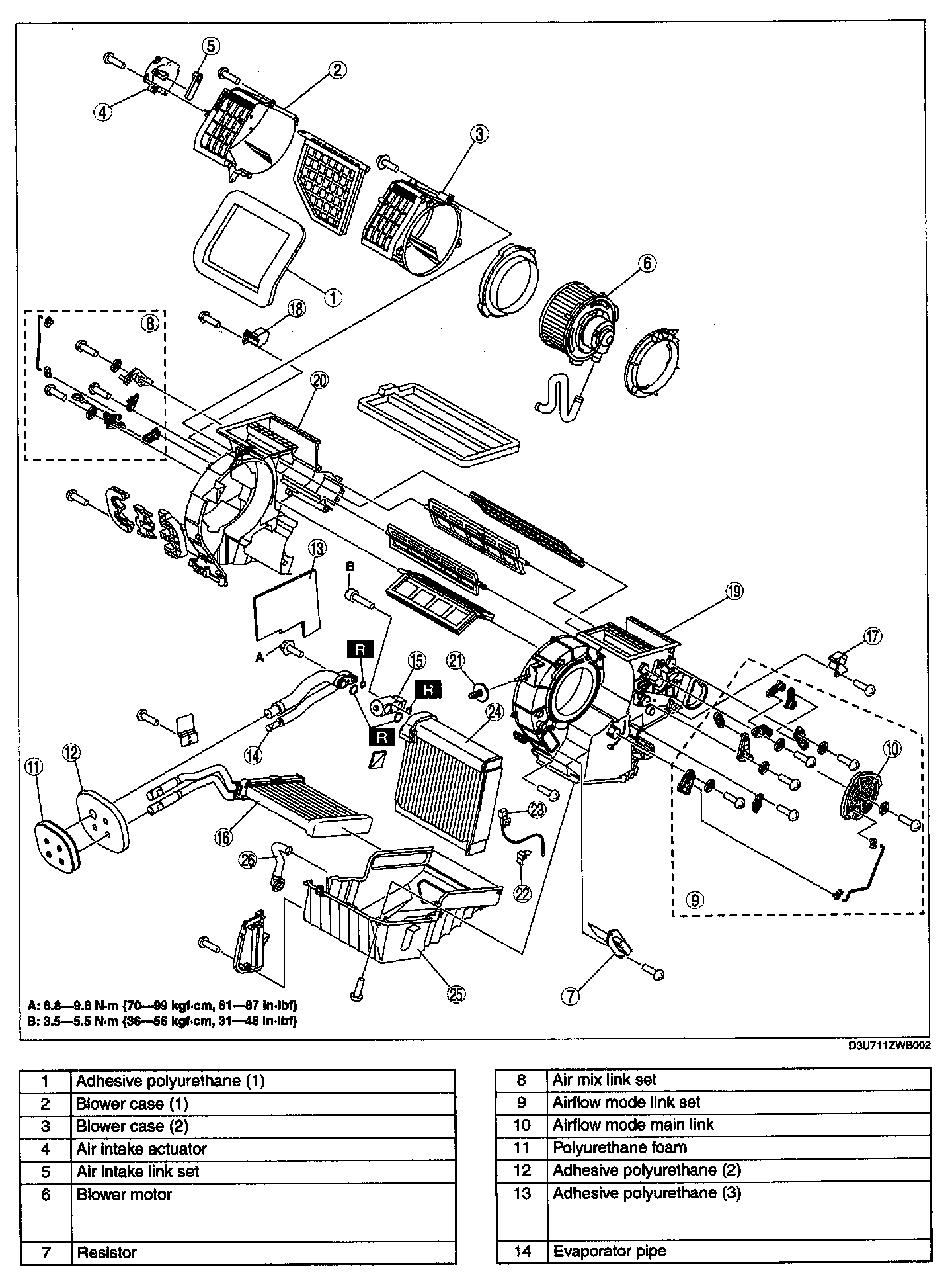
A/C UNIT DISASSEMBLY/ASSEMBLY

Type A







1. Disassemble in the order indicated in the table.

CAUTION: If a non-specified grease is used, it may. result in abnormal noise or improper operation of the links. Apply only the specified grease to each link.

2. Assemble in the reverse order of disassembly.

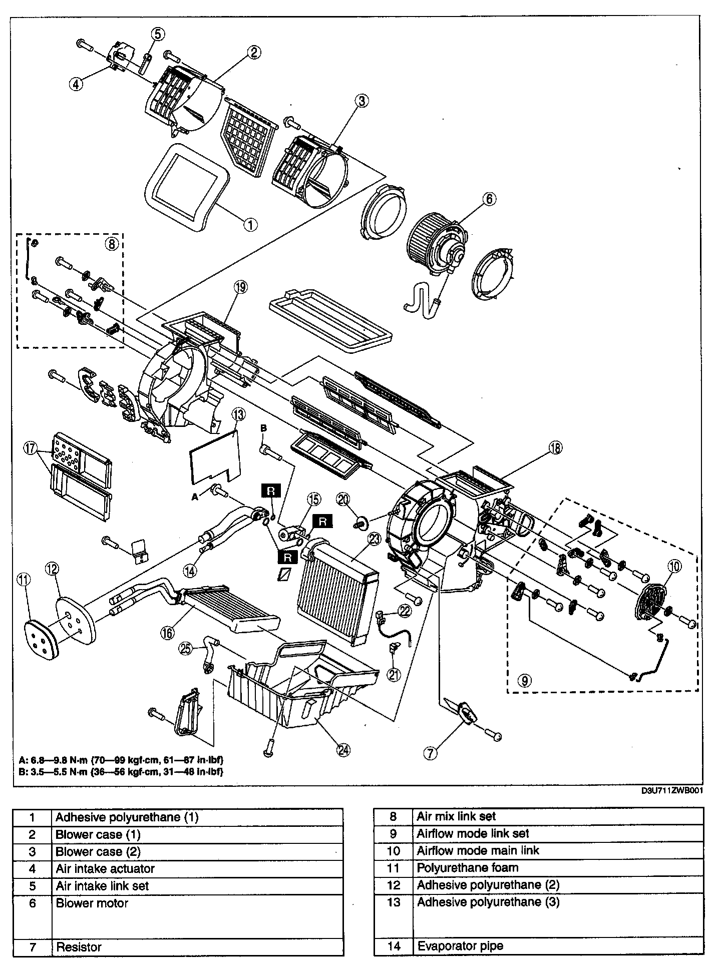
Type B







1. Disassemble in the order indicated in the table.

CAUTION: If a non-specified grease is used, It may result in abnormal noise or improper operation of the links. Apply only the specified grease to each link.

2. Assemble in the reverse order of disassembly.

Sensor Clamp Assembly Note




1. Attach the sensor clamp as shown in the figure.

Evaporator Temperature Sensor Assembly Note




1. Assemble the evaporator temperature sensor as shown in the figure.