Curiosii for ever!: Car repair manuals for everyone.

Mini ISO Relay: Testing and Inspection

RELAY INSPECTION

Relay Type:




Relay type

Four-terminal

Type A

1. Remove the relay.




2. Inspect for continuity between the relay terminals using an ohmmeter.
- If not as specified, replace the relay.

Type B

1. Remove the relay.




2. Inspect for continuity between the relay terminals using an ohmmeter.
- If not as specified, replace the relay.

Type C

1. Remove the relay.




2. Inspect for continuity between the relay terminals using an ohmmeter.
- If not as specified, replace the relay.

Type D

1. Remove the relay.




2. Inspect for continuity between the relay terminals using an ohmmeter.
- If not as specified, replace the relay.

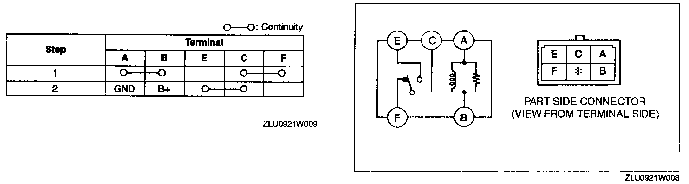
Five-terminal

Type A

1. Remove the relay.




2. Inspect for continuity between the relay terminals using an ohmmeter.
- If not as specified, replace the relay.

Type B

1. Remove the relay.




2. Inspect for continuity between the relay terminals using an ohmmeter.
- If not as specified, replace the relay.

Eight-terminal

1. Remove the relay.




2. Inspect for continuity between the relay terminals using an ohmmeter.
- If not as specified, replace the relay.