Curiosii for ever!
: Car repair manuals for everyone.
Home
>>
Mazda
>>
2003
>>
MX-5 Miata L4-1.8L DOHC
>>
Repair and Diagnosis
>>
Power and Ground Distribution
>>
Fuse
>>
Service and Repair
>>
Main Fuse
Main Fuse
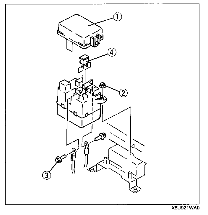
MAIN FUSE REMOVAL/INSTALLATION
1.
Disconnect the negative battery cable.
2.
Remove in the order indicated below.
1.
Main fuse block cover
2.
Nut
3.
Bolt
4.
Main fuse
3.
Install in the reverse order of removal.