Curiosii for ever!: Car repair manuals for everyone.

EC-AT Control System

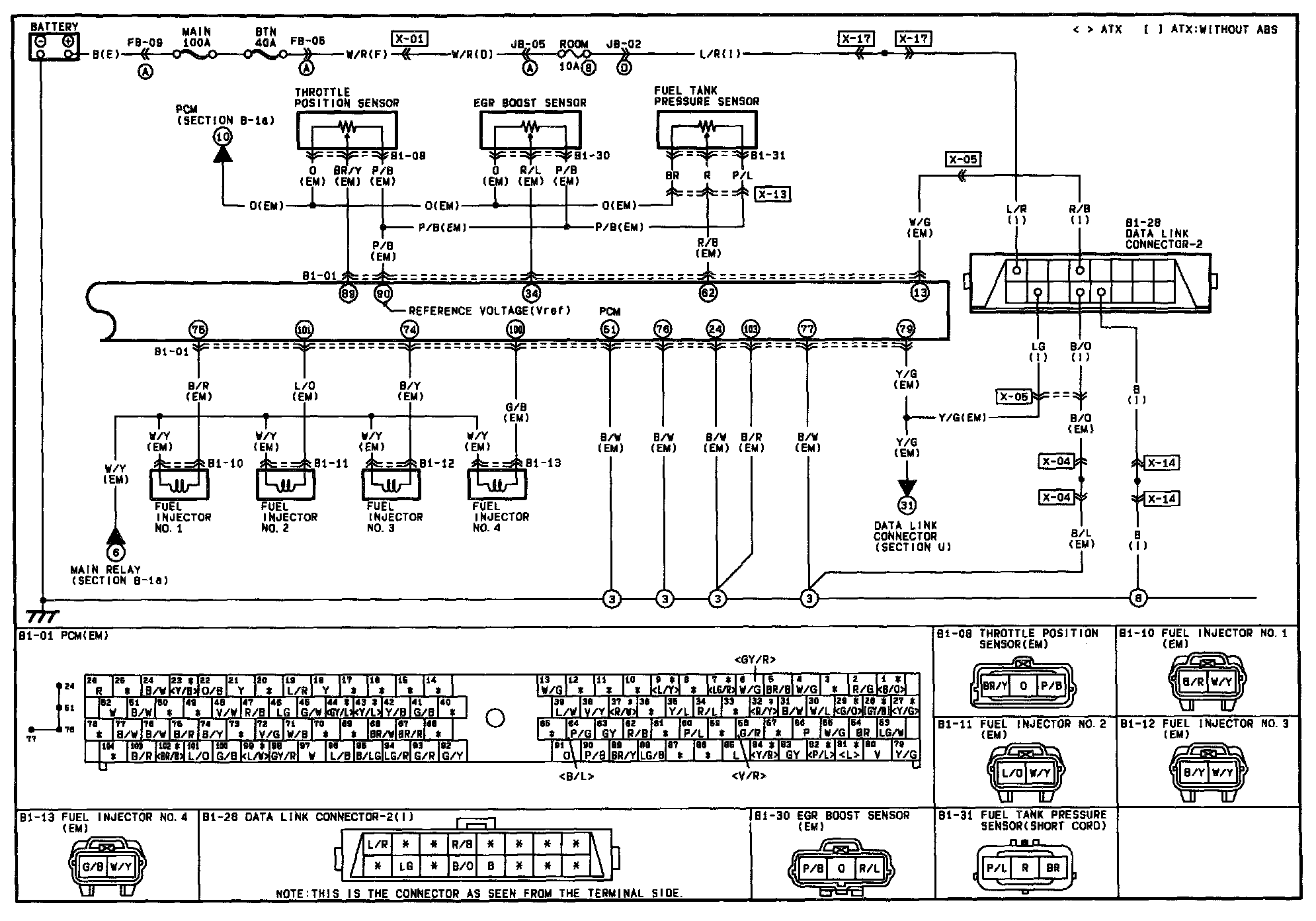
B-1a - EC-AT Control System (ZM)/Engine System Circuit (ZM):




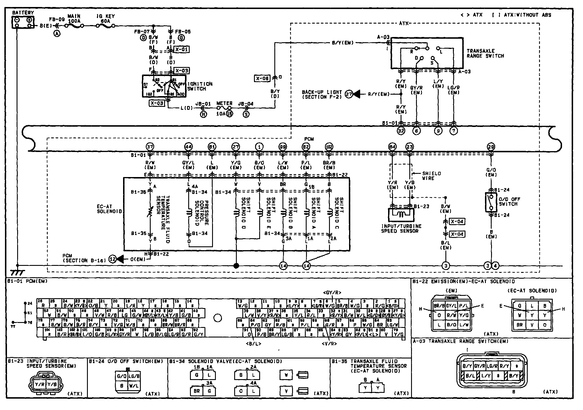
B-1b - EC-AT Control System (ZM)/Engine Control System Circuit (ZM):




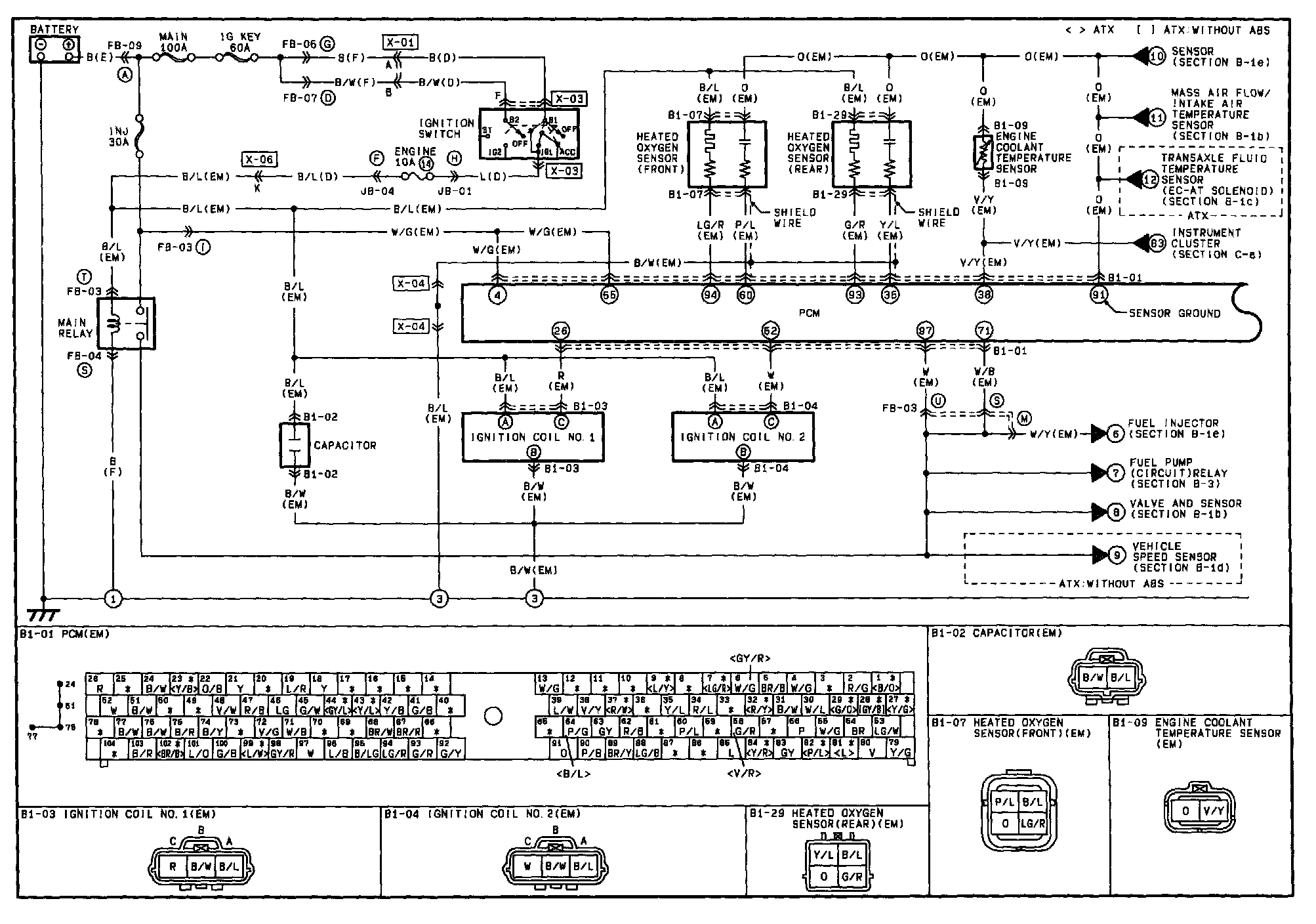
B-1c - EC-AT Control System (ZM)/Engine Control System Circuit (ZM):




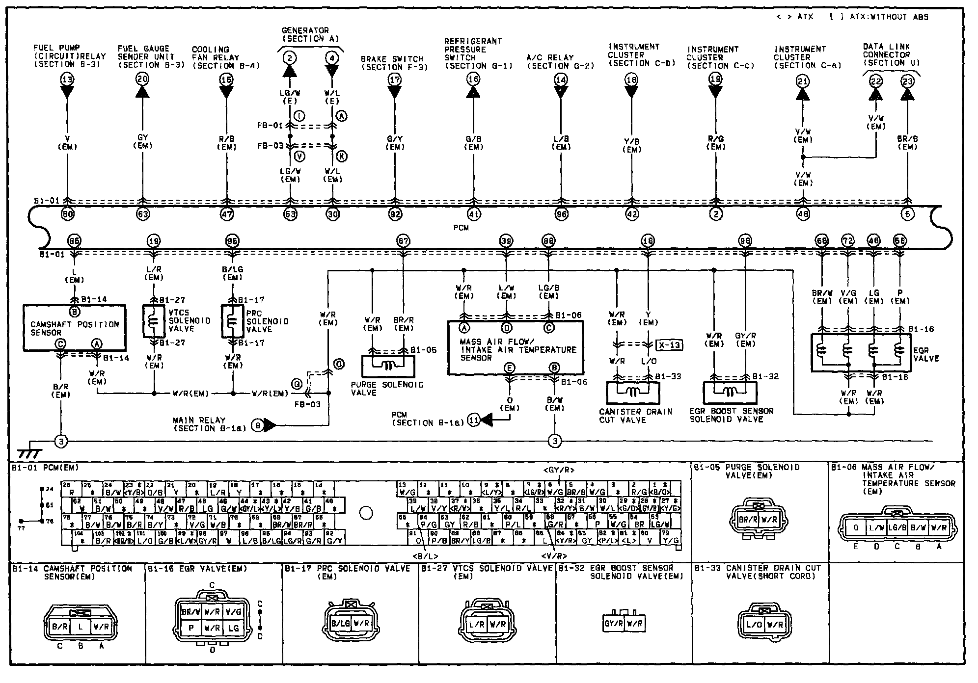
B-1d - EC-AT Control System (ZM)/Engine Control System Circuit (ZM):




B-1e - EC-AT Control System (ZM)/Engine Control System Circuit (ZM):




Wiring Diagrams


NOTE: To view other sections referred to in these diagrams, see Complete Body and Chassis Diagrams by Section (A Thru Z)