Curiosii for ever!
: Car repair manuals for everyone.
Home
>>
Mazda
>>
2002
>>
Protege LX L4-2.0L DOHC
>>
Repair and Diagnosis
>>
Diagrams
>>
Exploded Views
>>
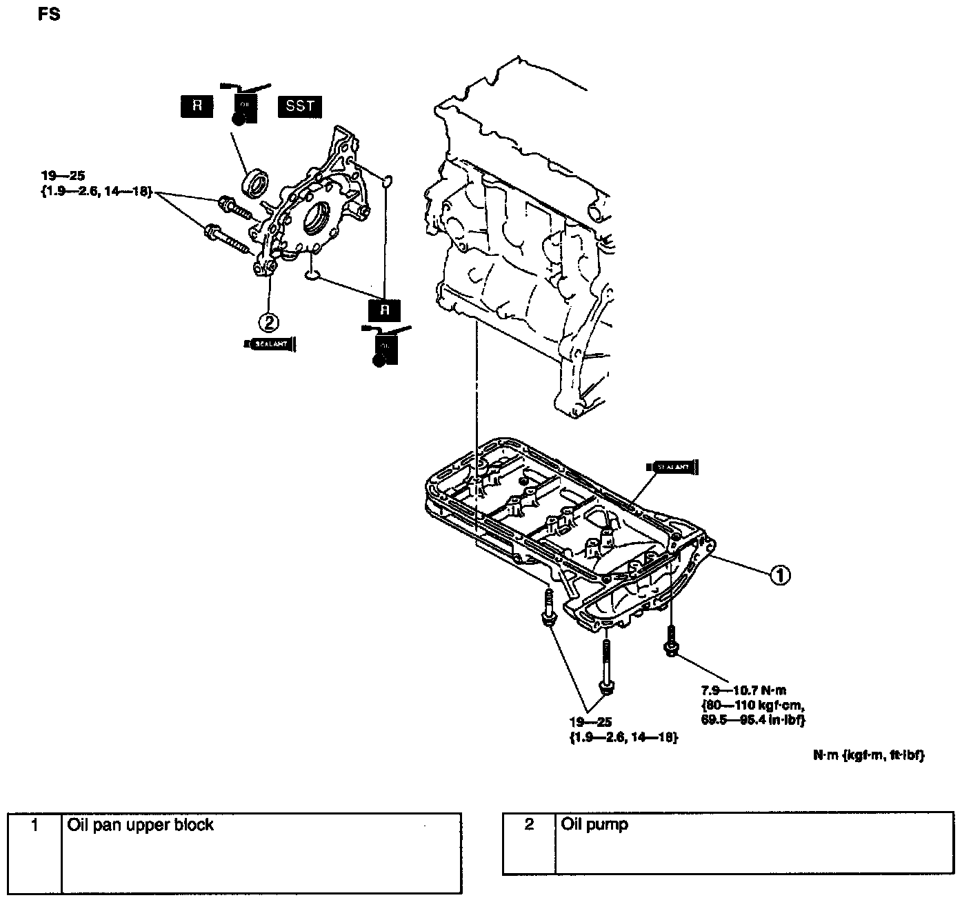
Oil Pump, Engine
>>
Removal and Installation
Removal and Installation