Curiosii for ever!: Car repair manuals for everyone.

Generator Removal/Installation

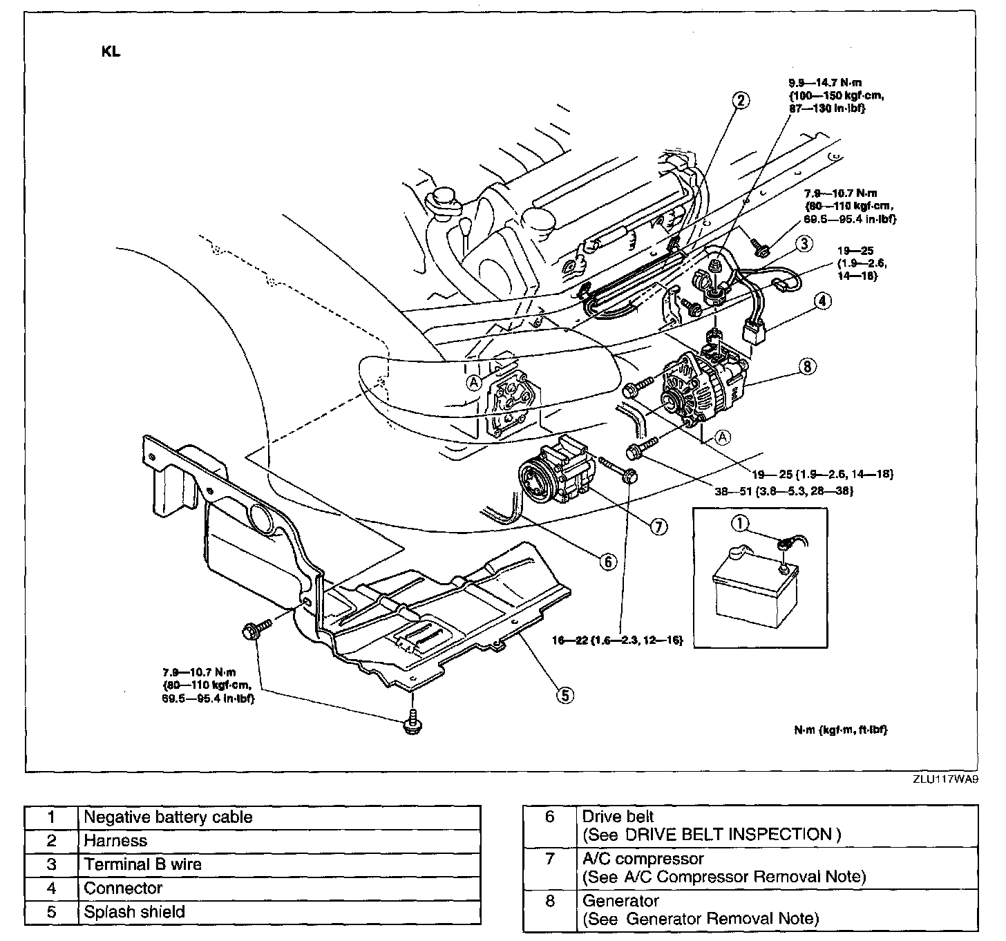
GENERATOR REMOVAL/INSTALLATION

1. Remove the charge air cooler. (KJ (2.3L Engine)) (See INTAKE-AIR SYSTEM REMOVAL/INSTALLATION.)

KL (2.5L Engine):




KJ (2.3L Engine):




2. Remove in the order indicated in the table.
3. Install in the reverse order of removal.

CAUTION:
- Reversing the battery connections or using high-voltage testers will damage the rectifier.
- Do not start the engine while the connector is disconnected from terminals L and S. It can damage the generator.
- Disconnecting generator terminal B before disconnecting the negative battery cable can damage the generator harness and connector.

NOTE: Battery positive voltage is always present at generator terminal B while the battery cable is connected.

A/C Compressor Removal Note

1. With the pipe still connected, position the A/C compressor away from the generator for easy access to the generator.

Generator Removal Note

1. Remove the generator from under the vehicle.