Engine Tightening Specifications
Torque SequencesCylinder Head Removal
Cylinder Head Installation
Camshaft Front Bearing Cap Removal
Note: Bolt No.5 in the figure fits only the right cylinder head.
Camshaft Bearing Cap Removal
Note:
The front camshaft bearing caps must be removed first, otherwise damage to the camshaft will occur.
Remove the thrust caps only after removing all camshaft caps. Otherwise, the thrust caps can be damaged.
Camshaft Bearing Thrust Cap Installation
Caution: Install the thrust caps (5 mark on RH, B mark on LH) first. Otherwise, camshaft can be broken or damaged.
Camshaft Bearing Cap Installation
Tightening Torques
Cylinder Head
1. Tighten to 23.1 - 25.9 Nm (2.35 - 2.65 kgf-m, 17.0 - 19.1 ft. lbs.)
2. Tighten to 85° - 95°
3. Retighten to 85° - 95°
Camshaft Bearing Cap
1. Tighten to 11.3 - 14.2 Nm (115 - 145 kgf-m, 100 - 125 in. lbs)
2. Retighten to 11.3 - 14.2 Nm (115 - 145 kgf-m, 100 - 125 in. lbs.)
Crankshaft Pulley
Tighten to 157 - 166 Nm (16 - 17 kgf-m, 116 - 122 ft. lbs.)
Drive Plate
Tighten to 61 - 67 Nm (6.2 - 6.8 kgf-m, 45 - 49 ft. lbs.)
Oil Pump
Tighten to 19 - 25 Nm (1.8 - 2.6 kgf-m, 14 - 18 ft. lbs.)
Water Pump
Reuse/Replace
Cylinder Head Bolt
Length 131.2 - 131.8 mm (5.166 - 5.188 inch)
Maximum Length 132.5 mm (5.217 inch)
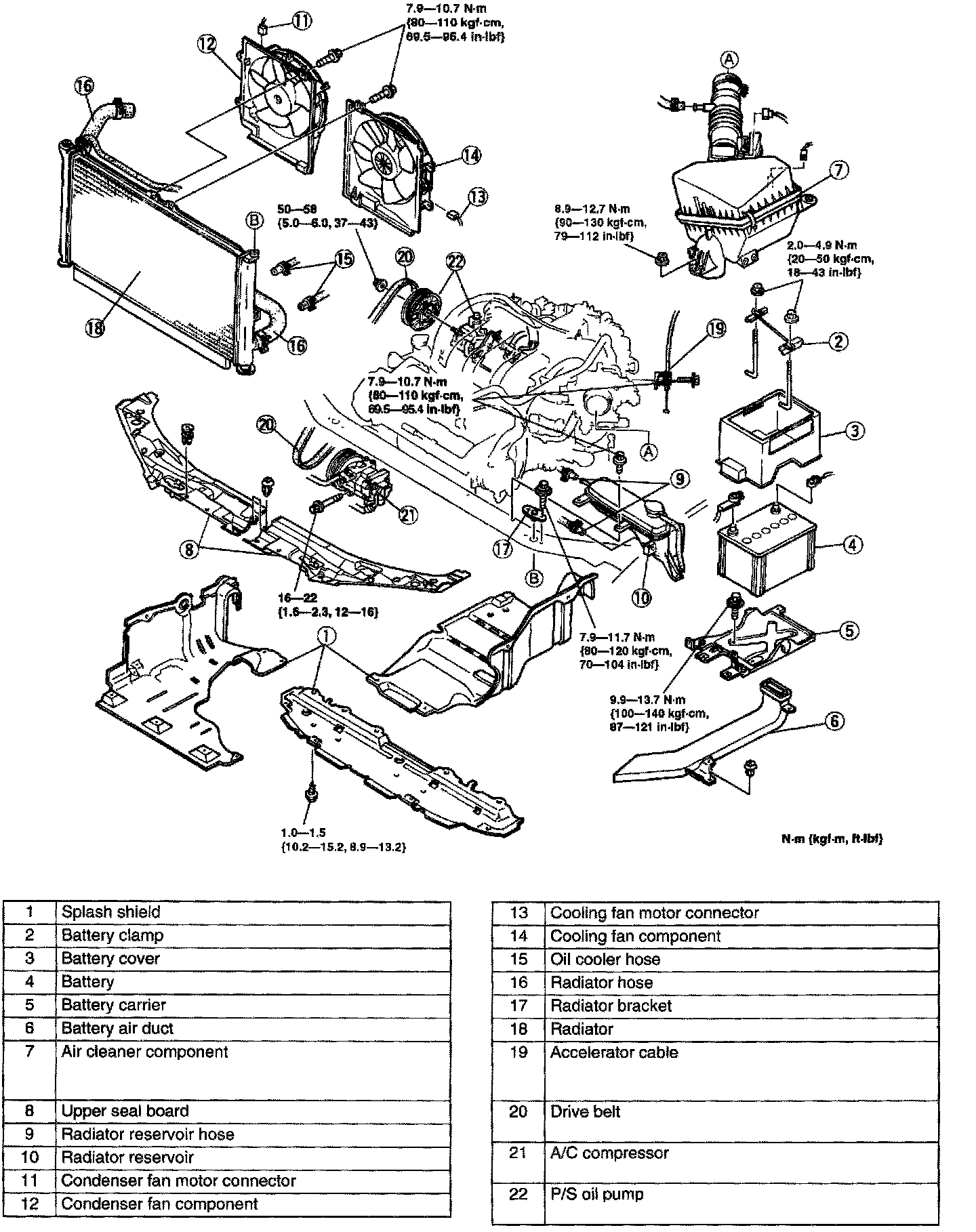
Engine Compartment