Curiosii for ever!: Car repair manuals for everyone.

EC-AT Control System

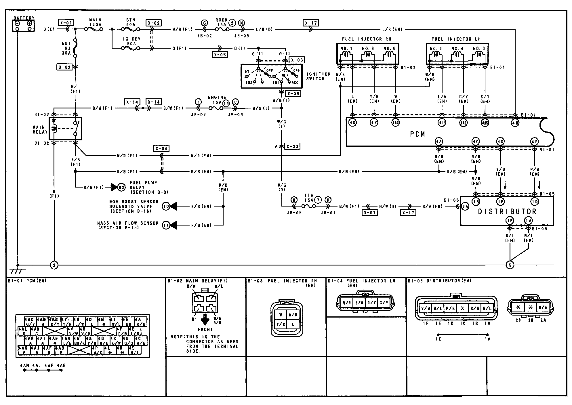
B-1a - Engine Control System (KL) / EC-AT Control System (KL) / Ignition System (KL) Circuit:




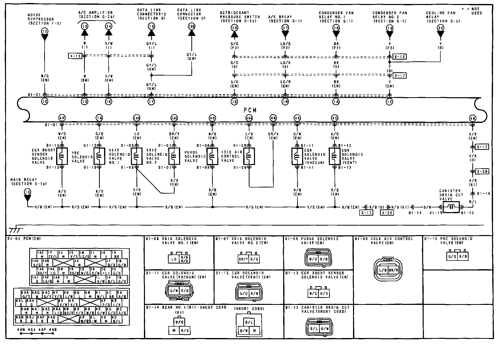
B-1b - Engine Control System (KL) / EC-AT Control System (KL) / Ignition System (KL) Circuit:




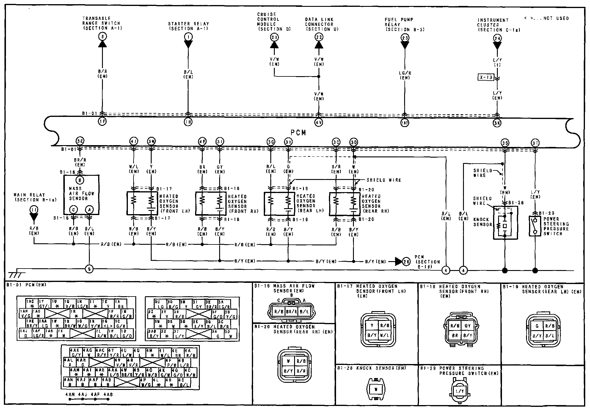
B-1c - Engine Control System (KL) / EC-AT Control System (KL) / Ignition System (KL) Circuit:




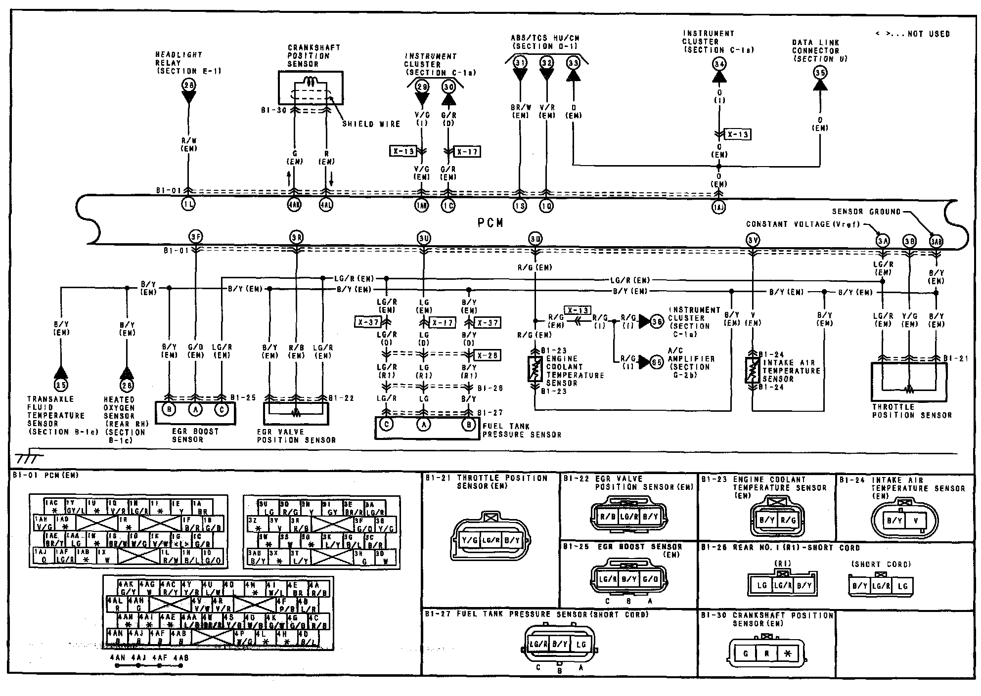
B-1d - Engine Control System (KL) / EC-AT Control System (KL) / Ignition System (KL) Circuit:




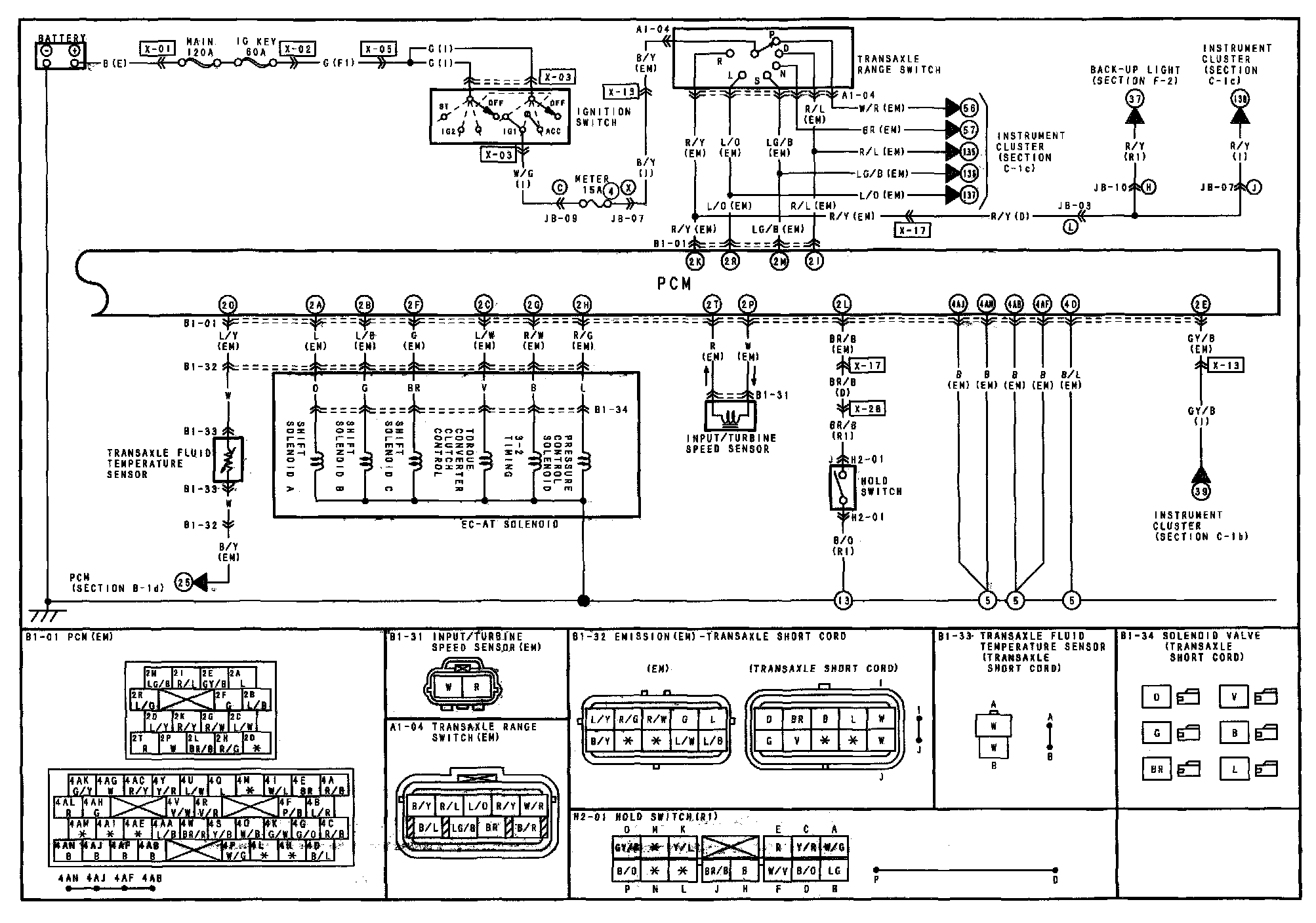
B-1e - Engine Control System (KL) / EC-AT Control System (KL) / Ignition System (KL) Circuit:




Wiring Diagrams

NOTE: To view other sections referred to in these diagrams, see Complete Body and Chassis Diagrams by Section (A Thru Z) Electrical Diagrams