Curiosii for ever!: Car repair manuals for everyone.

Central Control Module: Service and Repair

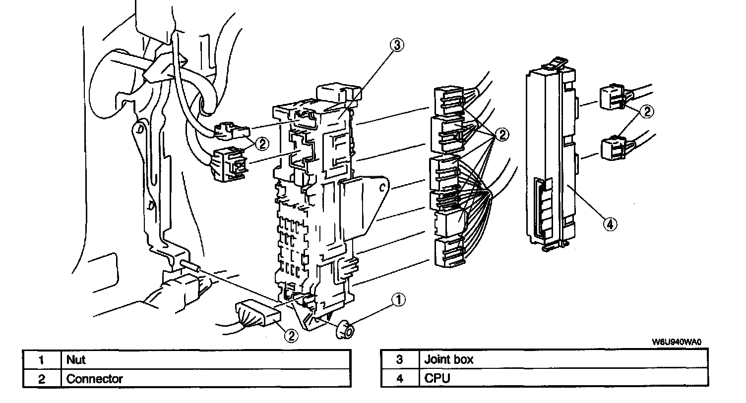
CPU REMOVAL/INSTALLATION

1. Disconnect the negative battery cable.
2. Remove the driver's side front scuff plate.
3. Remove the driver's side front side trim.




4. Remove in the order indicated in the table.
5. Install in the reverse order of removal.