Curiosii for ever!
: Car repair manuals for everyone.
Home
>>
Mazda
>>
2001
>>
Protege ES L4-2.0L DOHC
>>
Repair and Diagnosis
>>
Power and Ground Distribution
>>
Fuse Block
>>
Locations
>>
Component Locations
Component Locations
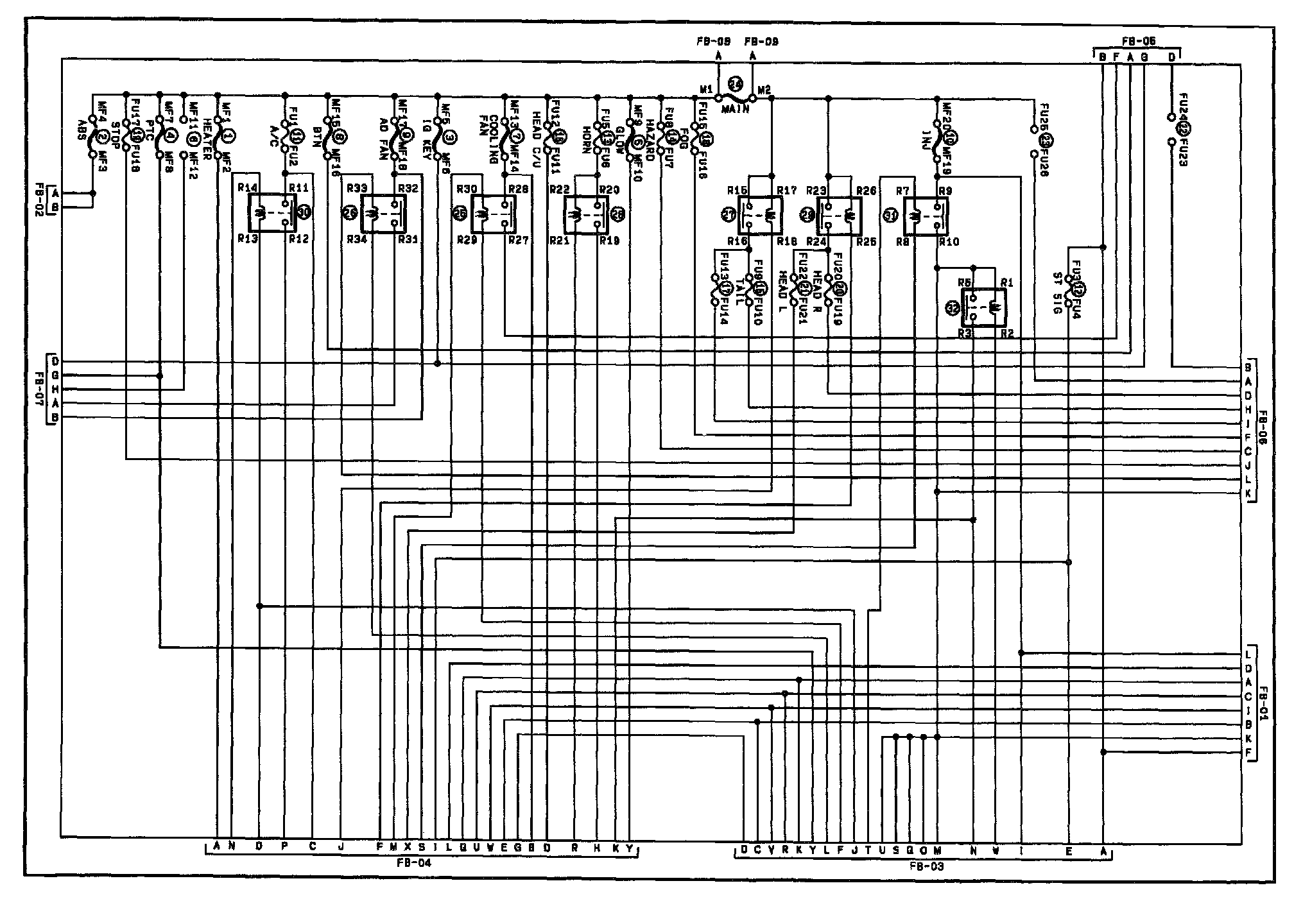
FB - Inter Connecting Diagram Of Fuse Block Circuit:
FB - Fuse Block Connectors: