Curiosii for ever!: Car repair manuals for everyone.

Engine Control Module: Service and Repair

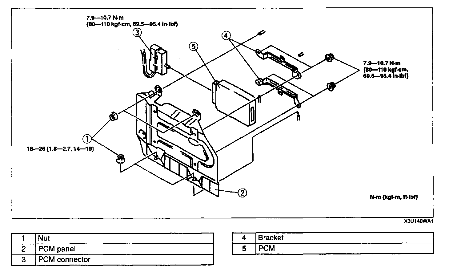
PCM REMOVAL/INSTALLATION

1. Disconnect the negative battery cable.
2. Remove the front passenger side scuff plate.
3. Remove the front passenger side trims.
4. Partially peel off the floor covering from the front of the passenger's side.

WARNING: The edge of the PCM plate is sharp. Be careful not to cut yourself when handling the PCM plate.




5. Remove in the order indicated in the table.
6. Install in the reverse order of removal.