Curiosii for ever!: Car repair manuals for everyone.

Disassembly and Assembly

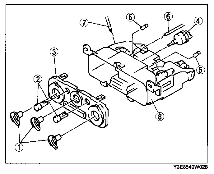
CLIMATE CONTROL UNIT DISASSEMBLY/ASSEMBLY




1. Disassemble in the order indicated below.
1. Dial
2. Knob
3. Panel
4. Fan switch
5. Illumination bulb
6. Air mix wire
7. Airflow mode wire
8. Body

2. Assemble in the reverse order of disassembly.




Wire Disassembly Note
1. Disassemble the wires in the order indicated in the table.




Wire Assembly Note
1. Assemble the wires in the order indicated in the table.