Curiosii for ever!
: Car repair manuals for everyone.
Home
>>
Mazda
>>
2001
>>
Protege DX L4-1.6L DOHC
>>
Repair and Diagnosis
>>
Diagrams
>>
Electrical Diagrams
>>
Keyless Entry
>>
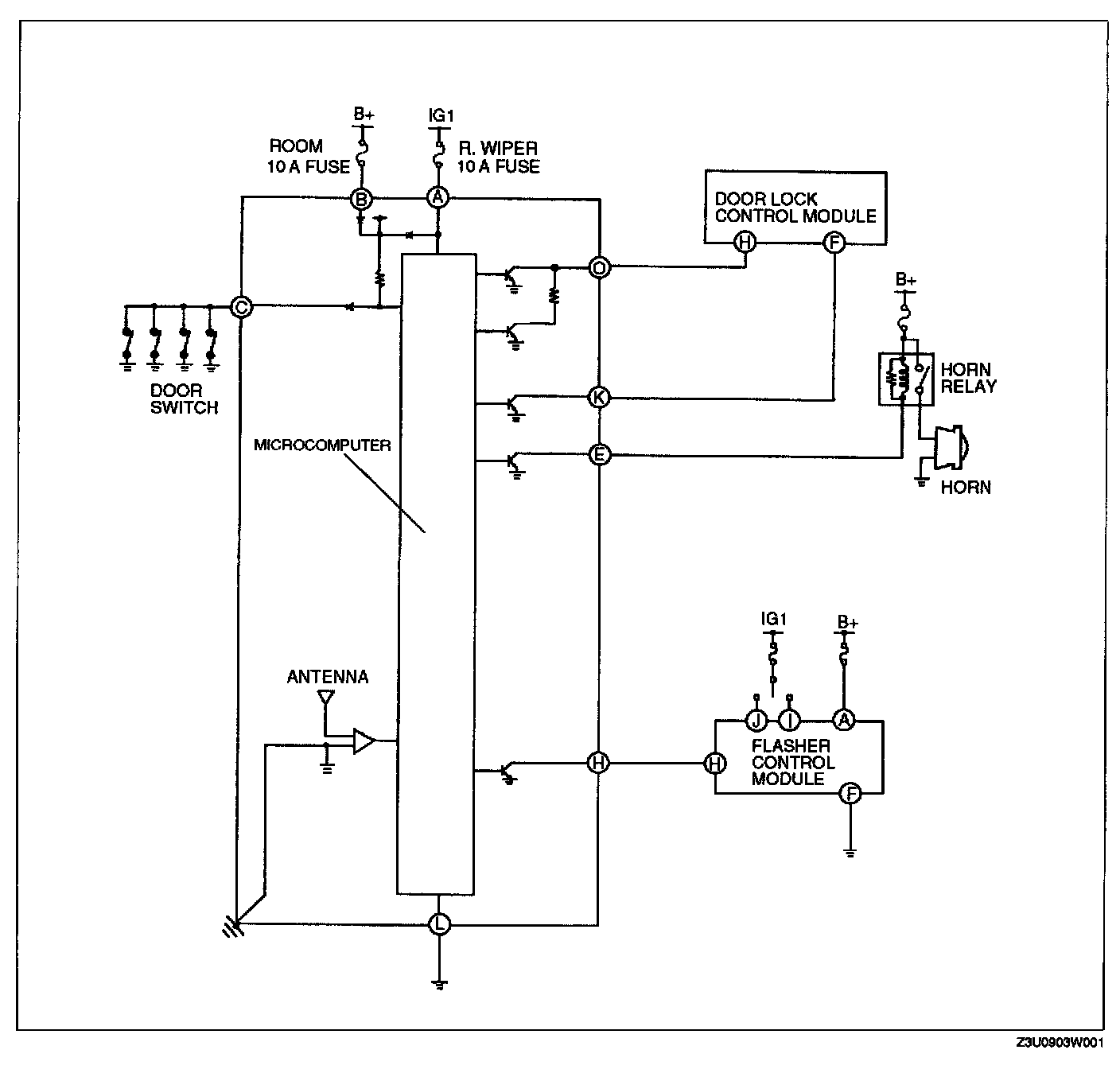
System Schematic
System Schematic
Keyless Entry System Wiring Diagram: