Curiosii for ever!: Car repair manuals for everyone.

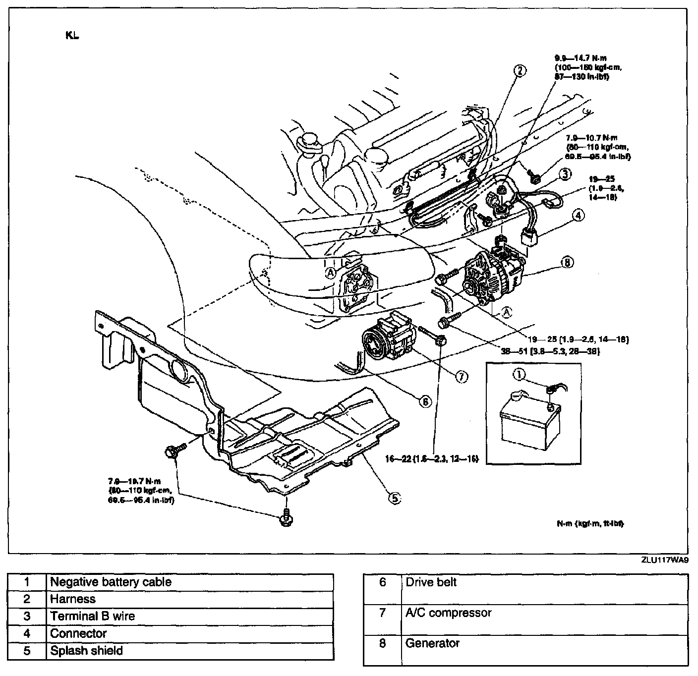
Generator Removal/Installation

1. Remove the charge air cooler.

KL:




KJ:




2. Remove in the order indicated in the table.
3. Install in the reverse order of removal.

CAUTION:
- Reversing the battery connections or using high-voltage testers will damage the rectifier.
- Do not start the engine while the connector is disconnected from terminals L and S. It can damage the generator.
- Disconnecting generator terminal B before disconnecting the negative battery cable can damage the generator harness and connector.

NOTE: Battery positive voltage is always present at generator terminal B while the battery cable is connected.

A/C Compressor Removal Note
With the pipe still connected, position the A/C compressor away from the generator for easy access to the generator.

Generator Removal Note
Remove the generator from under the vehicle.