Curiosii for ever!
: Car repair manuals for everyone.
Home
>>
Mazda
>>
2001
>>
Millenia P V6-2.5L DOHC
>>
Repair and Diagnosis
>>
Powertrain Management
>>
Computers and Control Systems
>>
Relays and Modules - Computers and Control Systems
>>
Body Control Module
>>
Diagrams
>>
Diagram Information and Instructions
>>
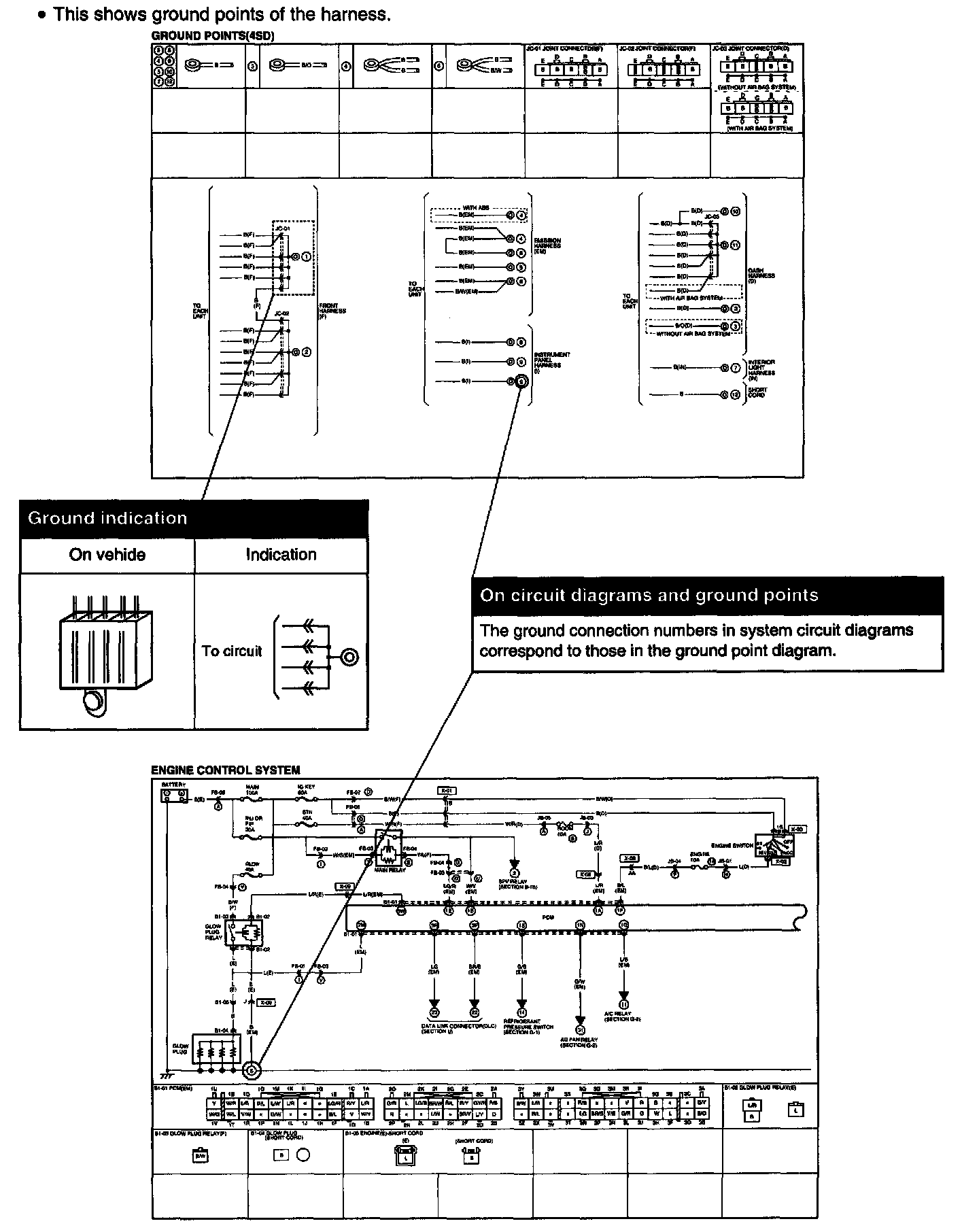
Ground Points
Ground Points