Curiosii for ever!
: Car repair manuals for everyone.
Home
>>
Mazda
>>
2001
>>
Millenia P V6-2.5L DOHC
>>
Repair and Diagnosis
>>
Diagrams
>>
Exploded Views
>>
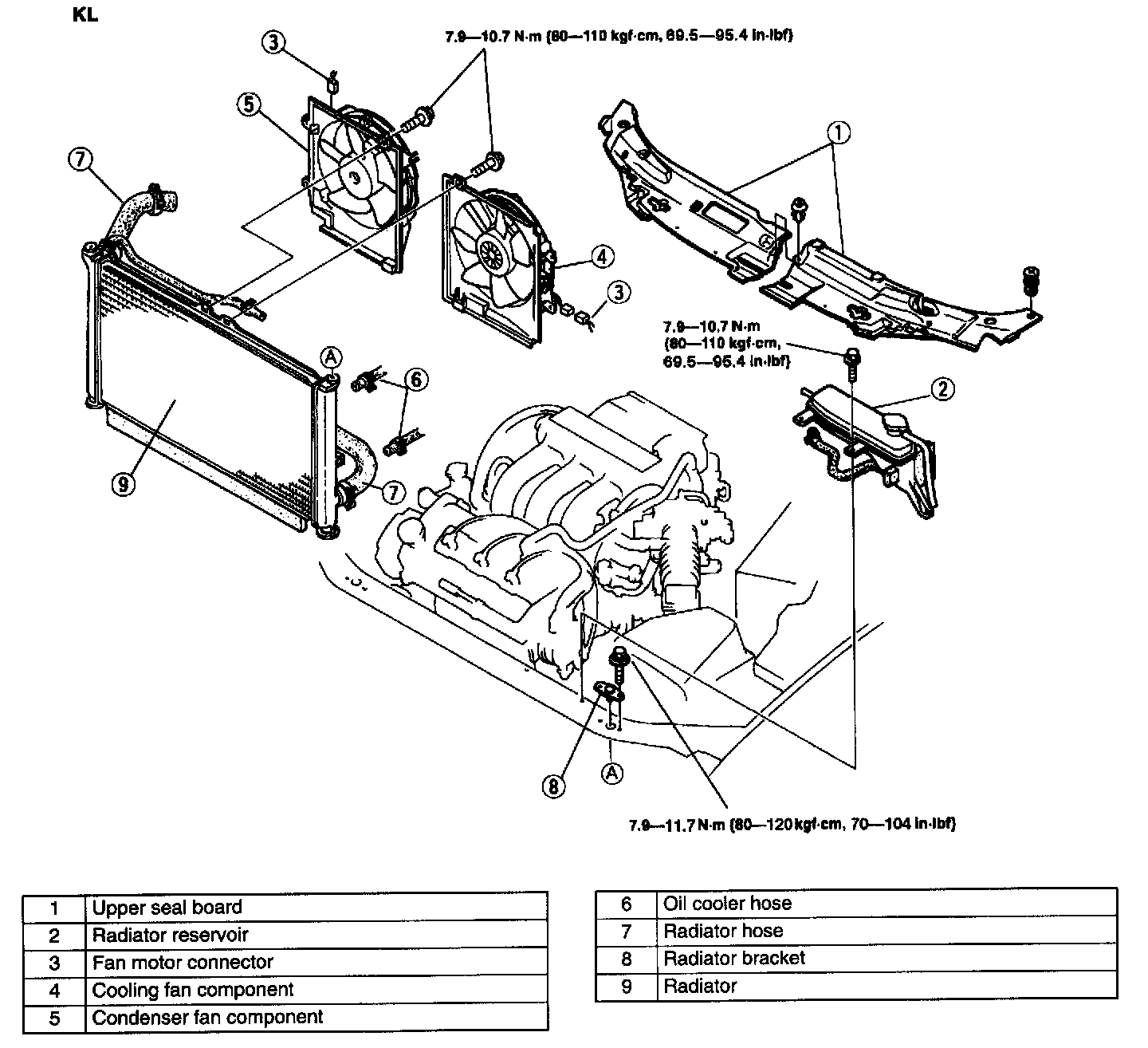
Radiator
Radiator