Curiosii for ever!: Car repair manuals for everyone.

Body Control Module

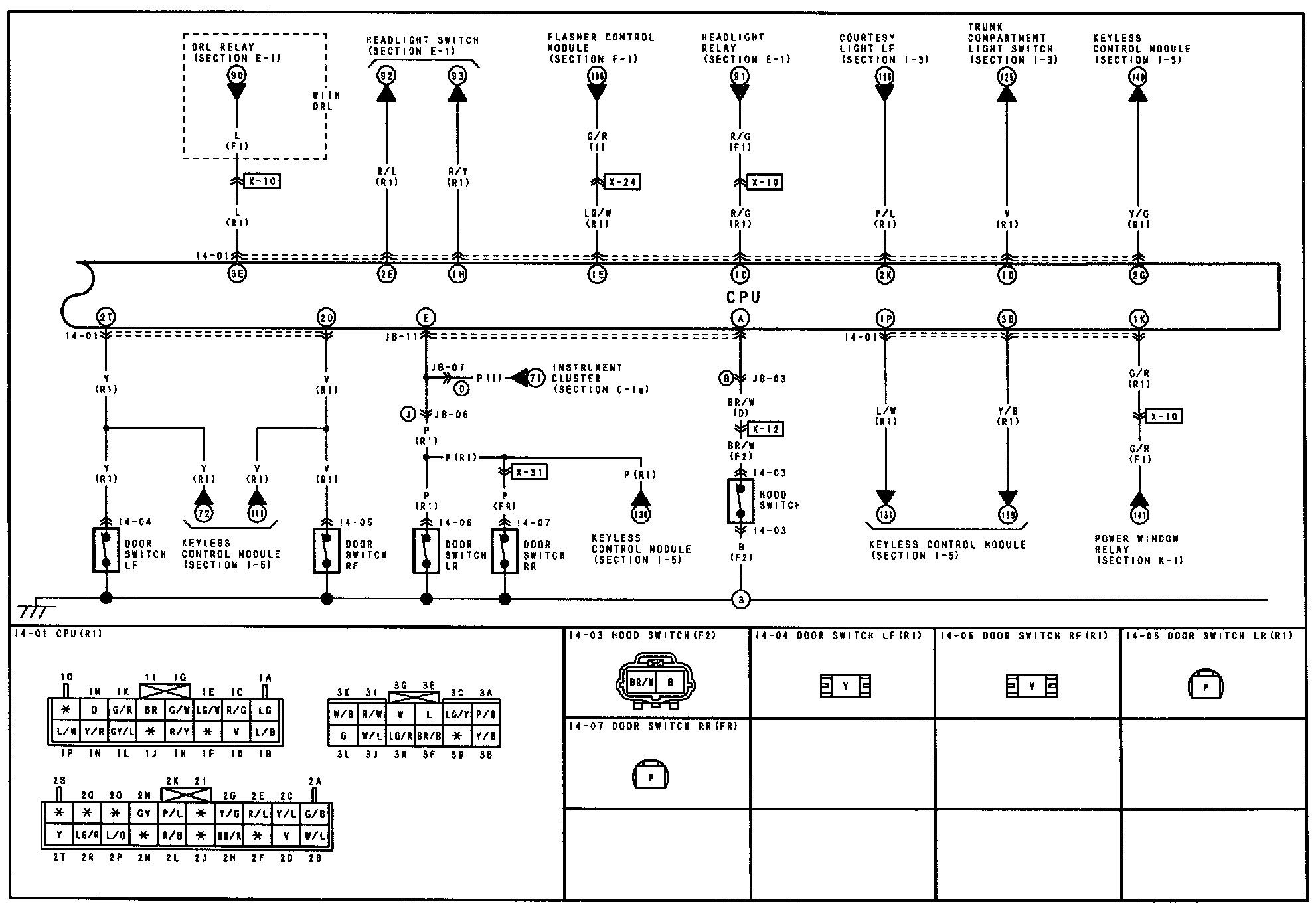
I-4a - CPU / Theft-Deterrent System Circuit:




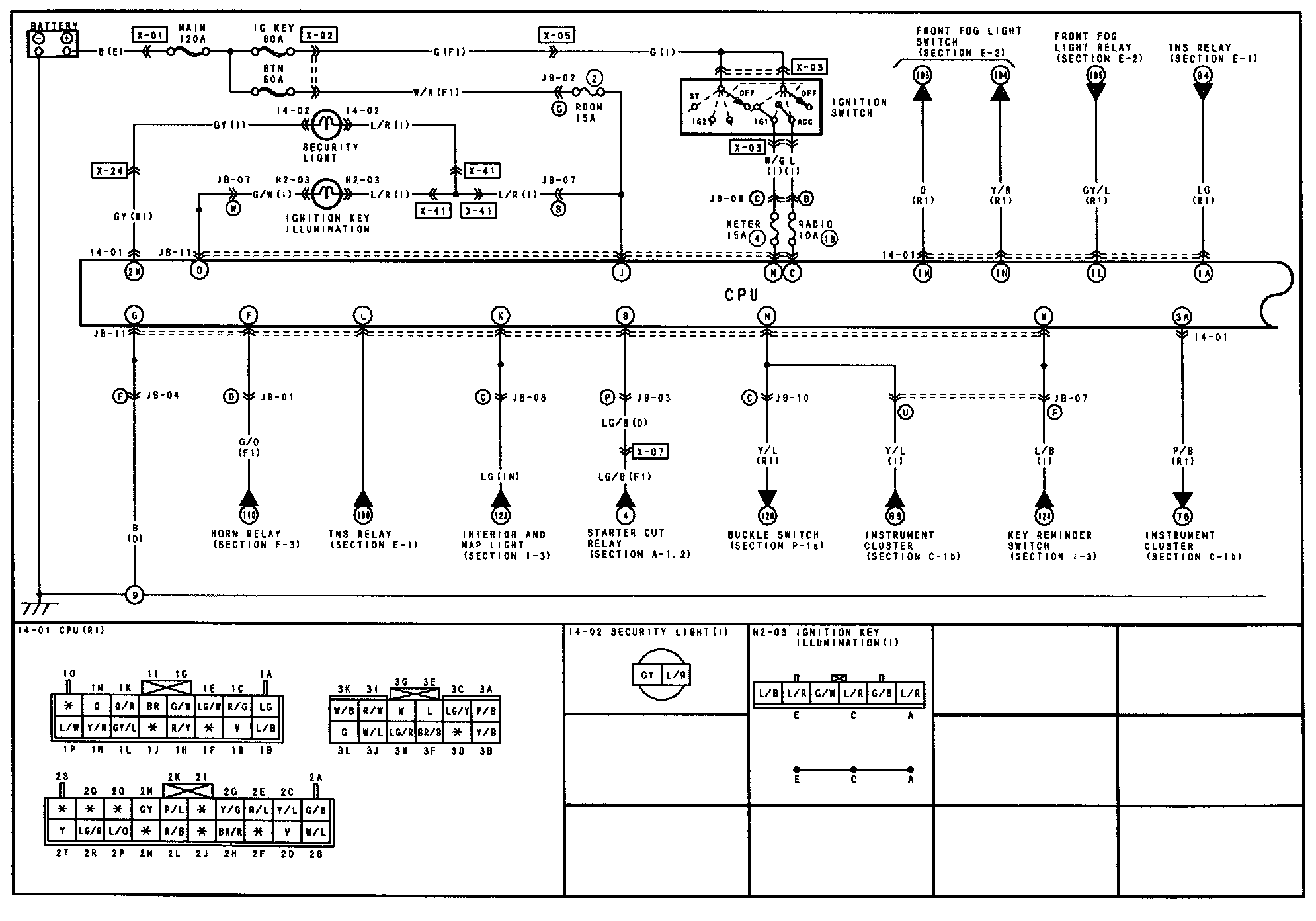
I-4b - CPU / Theft-Deterrent System Circuit:




Wiring Diagrams

NOTE: To view other sections referred to in these diagrams, see Complete Body and Chassis Diagrams by Section (A Thru Z) Electrical Diagrams