Curiosii for ever!
: Car repair manuals for everyone.
Home
>>
Mazda
>>
2000
>>
Protege ES L4-1839cc 1.8L DOHC
>>
Repair and Diagnosis
>>
Powertrain Management
>>
Diagrams
>>
Electrical Diagrams
>>
Control System
Control System
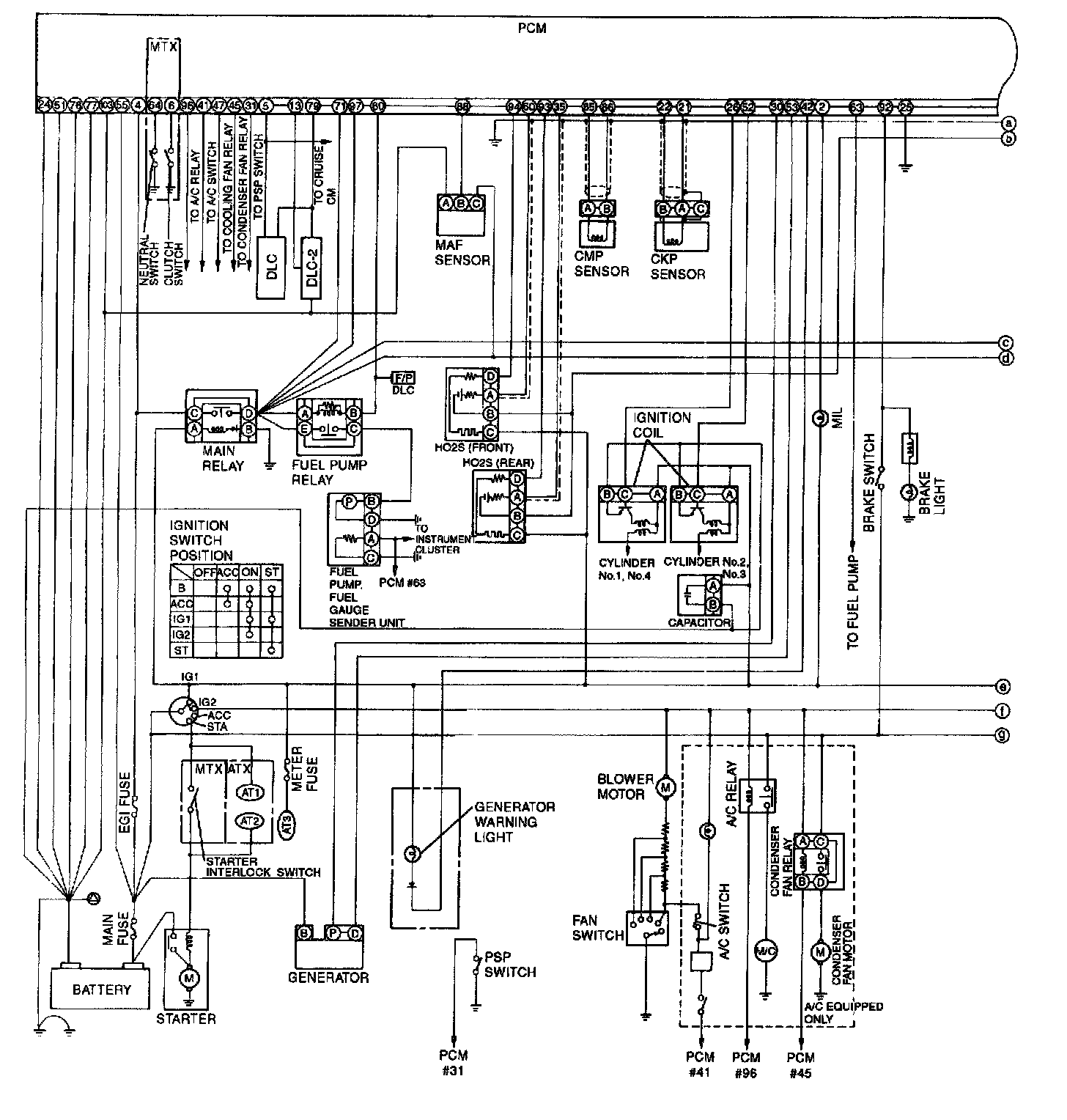
Control System Wiring Diagram (Part 1 Of 2):
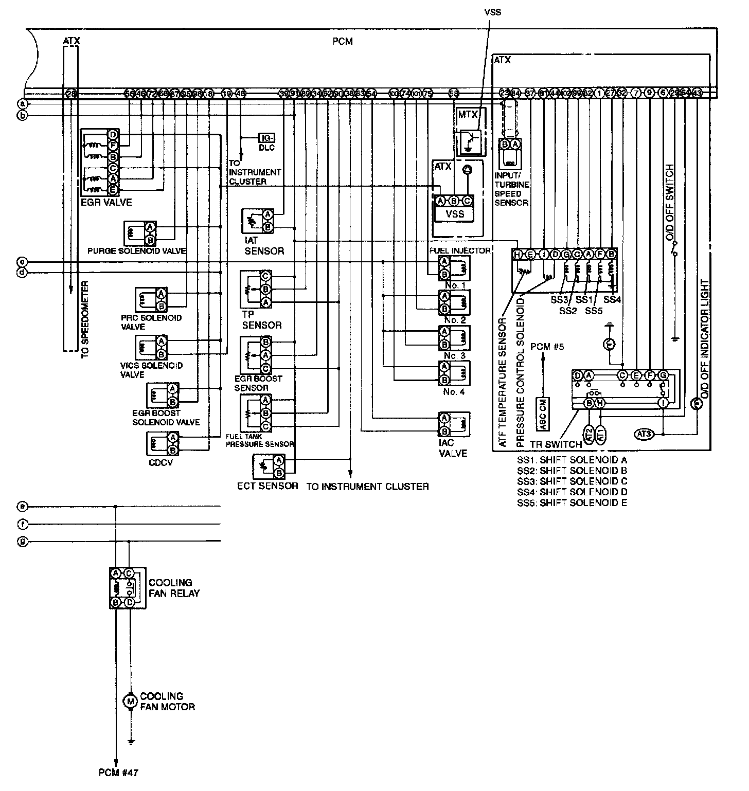
Control System Wiring Diagram (Part 2 Of 2):
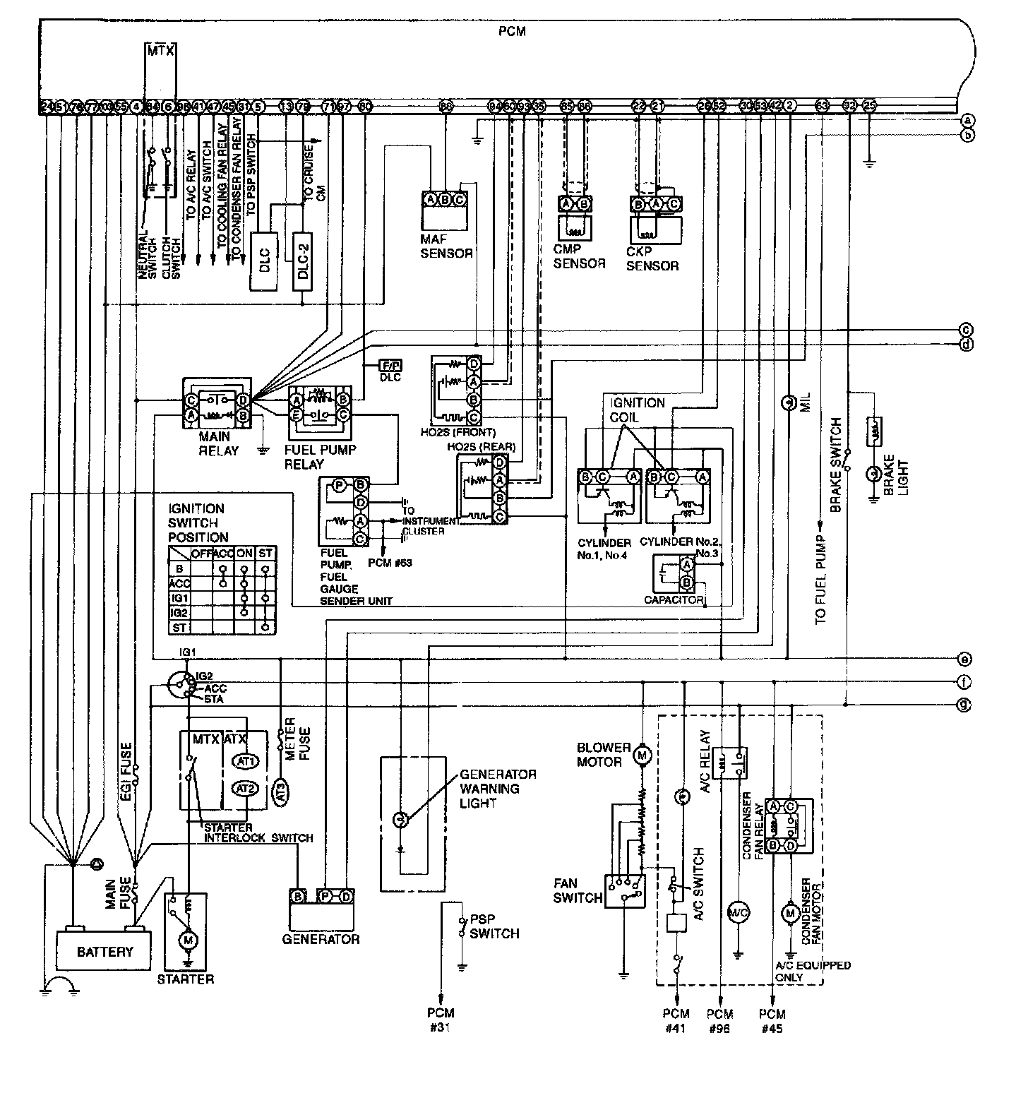
Control System Wiring Diagram (Part 1 Of 2):
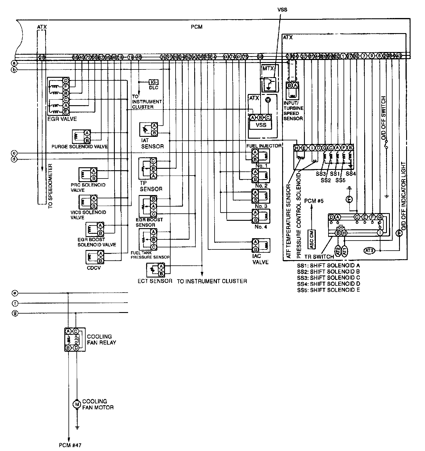
Control System Wiring Diagram (Part 2 Of 2):