Curiosii for ever!: Car repair manuals for everyone.

Input Signal System Diagnostic Procedures

Input Signal System Investigation Procedure
1. Find an unusual signal. (See below.)
2. Locate its source. (See below.)
3. Repair or replace the malfunctioning parts.
4. Confirm that the unusual signal has been erased.

Finding unusual signals
While referring to the DTC inspection of the on-board diagnostic system, use the PID/DATA MONITOR AND RECORD function to inspect the input signal system relating to the problem.
1. Turn the ignition on and idle the vehicle. You can assume that any signals that are out of specifications by a wide margin are unusual.
2. When recreating the problem, any sudden change in monitor input signals that is not consciously created by the driver can be judged as unusual.

Locating the source of unusual signals

CAUTION:
- Compare the NGS monitor voltage with the measurement voltage using the DIGITAL MEASUREMENT SYSTEM function. If you use another tester, misreading may occur.
- When measuring voltage, attach the tester GND to the GND of the PCM that is being tested, or to the engine itself. If this is not done, the measured voltage and actual voltage may differ.
- After connecting the pin to a waterproof coupler, confirming continuity and measuring the voltage, inspect the waterproof connector for cracks. If there are any, use sealant to fix them. Failure to do this may result in deterioration of the harness or terminal from water damage, leading to problems with the vehicle.




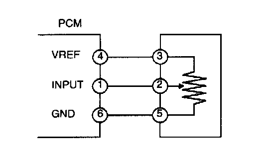
Variable Resistence Type 1 (Throttle position (TP) sensor, fuel tank pressure (FTP) sensor and EGR boost Sensor)

Investigate the input signal system
1. When you get an unusual signal, measure the #1 PCM terminal voltage.
- If the #1 terminal voltage and the NGS monitor voltage are the same, proceed to the next step.
- If there is a difference of 0.5 V or more, inspect the following points concerning the PCM connector.
- Female terminal opening looseness
- Coupler (pin holder) damage
- Pin discoloration (blackness)
- Harness/pin crimp is loose or disconnected.

2. Measure the #2 sensor terminal voltage.
- If there is a 0.5 V or more difference between the sensor and NGS voltages, inspect the harness for open or short circuits.
- If the sensor and NGS voltages are the same, inspect the following points concerning the sensor connector.
- Female terminal opening loose
- Coupler (pin holder) damage
- Pin discoloration (blackness)
- Harness/pin crimp is loose or disconnected

- If there are no problems, proceed to next investigation below.

Investigate the standard power supply system
1. Confirm that the #3 terminal is at 5 V.
- If the measured voltage on the #3 terminal is 5 V, inspect the following points on the sensor connector.
- If there is no problem, proceed to next investigation below.
- Female terminal opening looseness
- Coupler (pin holder) damage
- Pin discoloration (blackness)

- If the #3 terminal measures other than 5 V, inspect for the following:
- Open or short circuit in harness
- Harness/pin crimp is loose or disconnected.

Investigate the GND system
1. Confirm that terminal sensor #5 is at 0 V.
- If it is at 0 V, inspect the sensor.
- If necessary, replace the sensor.

- If not, inspect for the following:
- Open or short circuit in harness
- Female terminal opening looseness
- Coupler (pin holder) damage
- Pin discoloration (blackness)
- Harness/pin crimp is loose or disconnected.




Variable resistance type 2 (Fuel tank level sensor and mass air flow (MAF) sensor)

Investigate the input signal system
1. When you get an unusual signal, measure the #1 PCM terminal voltage.
- If the #1 terminal voltage and the NGS monitor voltage are the same, proceed to the next step.
- If there is a difference of 0.5 V or more, inspect for the following points concerning the PCM connector.
- Female terminal opening looseness
- Coupler (pin holder) damage
- Pin discoloration (blackness)
- Harness/pin crimp is loose or disconnected.

2. When you get an unusual signal, measure the #2 sensor terminal voltage.
- If there is a 0.5 V or more difference between the sensor and NGS voltages, inspect the harness for open or short circuits.
- If the sensor and NGS voltages are the same, inspect for the following points concerning the sensor connector.
- Female terminal opening looseness
- Coupler (pin holder) damage
- Pin discoloration (blackness)
- Harness/pin crimp is loose or disconnected.

- If there are no problems, proceed to next investigation below.

Investigate the electrical supply system
1. Confirm that the sensor #3 terminal is B+.
- If the measured voltage on the #3 terminal is B+, inspect the following points on the sensor connector.
- Female terminal opening looseness
- Coupler (pin holder) damage
- Pin discoloration (blackness)

- If there is no problem, proceed to next investigation below.
- If the #3 terminal measures other than B+,inspect for the following:
- Open or short circuit in harness
- Harness/pin crimp is loose or disconnected.

Investigate the GND system
1. Confirm that terminal sensor #4 is at 0 V.
- If it is at 0 V, inspect the sensor.
- If necessary, replace the sensor.

- If not at 0 V, inspect for the following:
- Open circuit in harness
- Female terminal opening looseness
- Coupler (pin holder) damage
- Pin discoloration (blackness)
- Harness/pin crimp is loose or disconnected.




Thermistor type (Intake air temperature (IAT) sensor and engine coolant temperature (ECT) sensor)

Investigate the input signal system
1. When you get an unusual signal, measure the #1 PCM terminal voltage.
- If the #1 terminal voltage and the NGS monitor voltage are the same, proceed to the next step.
- If there is a difference of 0.5 V or more, inspect for the following points concerning the PCM connector.
- Female terminal opening looseness
- Coupler (pin holder) damage
- Pin discoloration (blackness)
- Harness/pin crimp is loose or disconnected.

2. When you get an unusual signal, measure the #2 sensor terminal voltage.
- If there is a 0.5 V or more difference between the sensor and NGS voltages, inspect the harness for open or short circuits.
- If the sensor and NGS voltages are the same, inspect for the following points concerning the sensor connector.
- Female terminal opening looseness
- Coupler (pin holder) damage
- Pin discoloration (blackness)
- Harness/pin crimp is loose or disconnected.

- If there are no problems, proceed to next investigation below.

Investigate the GND system
1. Confirm that terminal sensor #3 is at 0 V.
- If it is at 0 V, inspect the sensor. If necessary, replace the sensor.
- If not, inspect for the following:
- Open circuit in harness
- Female terminal opening looseness
- Coupler (pin holder) damage
- Pin discoloration (blackness)
- Harness/pin crimp is loose or disconnected.